Monolithic Power Systems (MPS) EVKT-MagAlpha-MagDiff Communication Kit
Monolithic Power Systems (MPS) EVKT-MagAlpha-MagDiff Communication kit is designed for the MagAlpha and MagDiff magnetic position sensor family with seamless connection. This kit offers operation with all MagAlpha and MagDiff test boards (TBMA). The EVKT-MagAlpha-MagDiff communication kit contains two flat ribbon cables, a USB cable, and a Microcontroller (MCU) board. This kit offers a convenient way to read/write to all configuration registers and read the sensor’s angle. The EVKT-MagAlpha-MagDiff communication kit configures and computes the angle correction table to improve sensor accuracy. This kit features a USB interface and RP2040: 32-bit dual ARM® Cortex®-M0+ Microcontroller (MCU) from Raspberry Pi. The EVKT-MagAlpha-MagDiff communication kit operates at a 3.3V supply voltage. This kit supports Serial Peripheral Interface (SPI) and I2C interface.Features
- USB interface
- RP2040: 32-bit Dual ARM® Cortex®-M0+ Microcontroller (MCU) from Raspberry Pi
- Connectors compatible with MagAlpha and MagDiff Tests Boards (TBMA)
- Correction table computation and configuring when used alongside the GUI or python library
- Supports Serial Peripheral Interface (SPI)
- Supports I2C interface
Specifications
- 3.3V operating input voltage
- 90mm x 40mm dimension
- 3.3V supply for test board
Kit Contents
- MagAlpha and MagDiff evaluation board with MCU
- 8 conductors, flat ribbon cable
- USB cable, A Male to Micro B Male
- Include GUI, python library, and supplemental documents
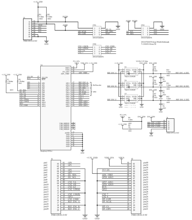
Schematic Diagram
Dimension Diagram
Kit Contents
发布日期: 2024-02-27
| 更新日期: 2024-08-13
