Silvertel EvalAg6810 Evaluation Board
Silvertel EvalAg6810 Evaluation Board is designed to evaluate and demonstrate the Ag6810 Power Sourcing Equipment (PSE) module. This board helps to pass through 10/100/1000BASE-T Ethernet data signals from a source onto any powered device connected to the output ports. The EvalAg6810 PSE module is a self-contained module that requires only a single supply voltage and a few external components to provide a simple and cost-effective PSE application. The EvalAg6810 evaluation board is powered using a DC power supply with an output between 52V and 57V. Typical applications include Internet Protocol (IP) cameras, Audio-Visual (AV) distribution, the Internet of Things (IoT), home networking, and industrial Ethernet.Features
- Evaluate Ag6810 PSE module
- Powered using a DC power supply
- 52V and 57V output voltage
- Helps to pass through 10/100/1000BASE-T Ethernet data signals from a source onto any powered device connected to the output ports
Applications
- IoT
- Industrial IoT (IIOT)
- Industrial Ethernet
- Smart conference systems
- Smart speaker systems
- Digital screens
- Digital signage
- Professional audio-visual equipment
- Media converters
- Range extenders
- Security equipment
- Hubs
- Gateways
- Routers and access points
- Audio-visual connected devices
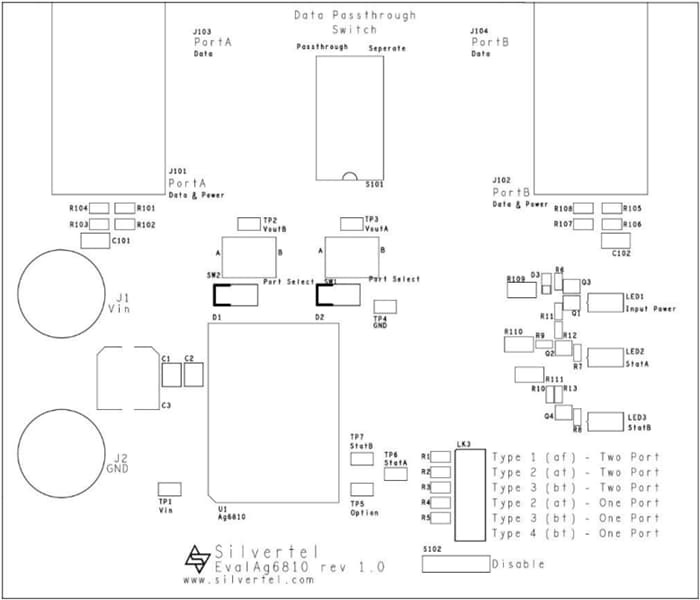
Board Layout
发布日期: 2025-06-24
| 更新日期: 2025-07-11
