Texas Instruments TLVM1440x输出电压范围为1 V至9 V,设计用于以PCB占位面积实现低EMI设计。总体设计仅需六个外部元件,并省去了设计流程中的磁性元件选型。
尽管针对空间受限型应用采用了简易的小尺寸设计,但TLVM1440x模块还提供了许多特性来实现稳健的性能:具有磁滞功能的精密使能端可实现输入电压UVLO调节,与集成式VCC、自举和输入电容器一起使用,可提高可靠性和密度。这些模块经过配置,可在较高负载下在恒定开关频率 (FPWM) 或可变频率 (PFM) 之间自动切换,实现更高的轻负载效率。其中还包括PGOOD指示器,可实现时序控制、故障报告和输出电压监测功能。
特性
- 多功能双路输出电压或单路输出同步降压模块
- 集成MOSFET、电感器和控制器
- 3 V 至 36 V 的宽输入电压范围
- 可调输出电压降为 0.8 V 至 9 V
- 6.5 mm × 7.0 mm × 2 mm包覆成型封装
- 结温范围:–40°C至125 °C
- 在整个负载范围内具有超高效率
- 峰值效率:93.5%
- 用于提升效率的外部偏置选项
- 外露焊盘,热阻抗低。EVM θJA = 20°C/W
- 关机静态电流为0.6µA(典型值)
- 超低传导和辐射EMI
- 低噪声封装,具有双输入路径和集成电容器,可减少开关振铃
- 符合CISPR 11和32 B类排放标准
- 固有保护特性,可实现稳健设计
- 用于排序、控制和VIN UVLO的精密使能输入和开漏PGOOD指示器
- 过电流和热关断保护
应用
- 测试和测量、航空航天和国防
- 工厂自动化和控制
- 降压电源
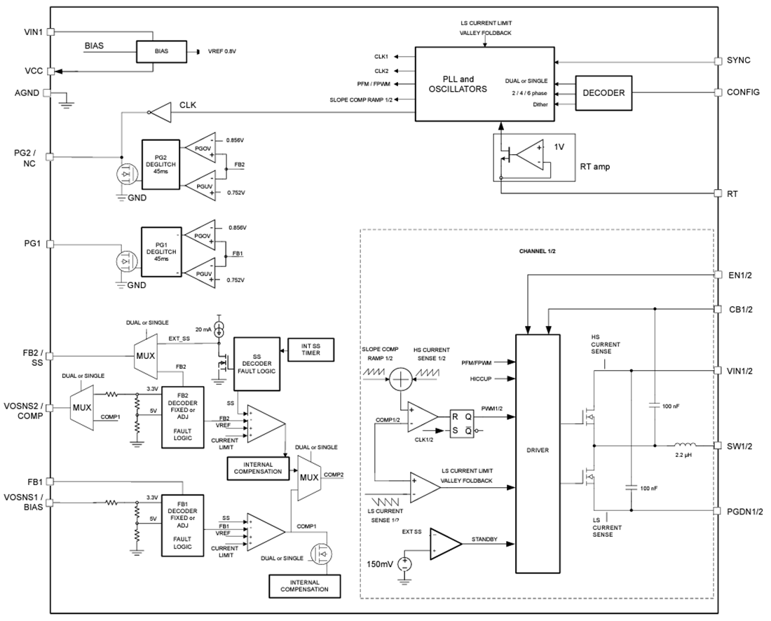
功能框图
发布日期: 2024-09-13
| 更新日期: 2024-09-20

