TI TPSM8287A1xM有助于增强控制方案,支持快速瞬变。该器件可在固定频率或省电模式下工作。该遥感特性优化了负载点的电压调节,该器件在整个温度范围内可达到±1.0% DC电压精度。该器件可在堆叠、并联模式下工作,以产生更大输出电流或在多个器件上扩展功率耗散。I2C兼容接口具有多种控制、监控和警告功能。通过VSETx引脚可选择启动电压,无需有源I2C通信即可上电。
特性
- 工作温度范围:-55 °C至+125 °C
- 差分远程传感
- 通过VSETx引脚可选择五个I2C地址
- 可调外部补偿,用于宽输出电容器范围和优化的瞬态响应
- 设计用于满足低EMI要求
- 无接合电线封装
- 内部输入电容器
- 通过并行输入路径简化布局
- 可选择与外部时钟或扩频操作同步
- 输出电压精度:±1.0%
- 可并行多相运行
- 启动输出电压可通过VSETx引脚在0.40V至3.35V范围内以50mV步进选择,I2C可按1.25mV步进调节
- 节能模式或强制PWM运行
- 精密使能输入阈值
- 具有窗口比较器的电源正常输出
- 有源输出放电
- 出色的热性能
- 4.5mm x 6.8mm QFN封装,脚距为0.5mm
- 设计尺寸:77mm2
应用
- 飞机电力
- 国防无线电
- 搜索器前端
- 雷达
- 铁路运输
简化示意图
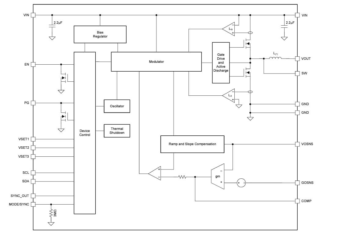
功能框图
发布日期: 2024-12-11
| 更新日期: 2025-05-29

