MR25H128A / MR25H256A串行SPI MRAMEverspin MR25H128A和MR25H256A串行SPI MRAM允许对存储器进行随机读写操作,而且没有写入延迟。这两款MRAM非常适合于必须通过一小部分I/O引脚快速存储数据和程序的应用。
MR25H128A为16,384字 x 8位的128Kb器件,不仅在读写耐久性方面表现出色,而且还拥有与串行EEPROM和串行闪存兼容的读/写时序,并且没有写入延迟。MR25H256A为16,384字 x 8位的128Kb器件,不仅在读写耐久性方面表现出色,而且还与拥有串行EEPROM和串行闪存兼容的读/写时序,并且没有写入延迟。
|
特性
- 无写入延迟
- 出色的耐写入能力
- 数据保存期长达20年以上
- 掉电时提供自动数据保护功能
- 块写保护
- 快速、简单的SPI接口,支持高达40MHz的时钟速率
- 2.7至3.6V工作电源范围
- 低电流休眠模式
- 工业和汽车级温度范围
- 采用符合RoHS标准的8引脚DFN Small Flag封装
- 串行EEPROM、闪存和FeRAM的直接替代品
- 工业级与AEC-Q100 Grade 1和Grade 3三种选择
- MSL-3湿度敏感等级
|
MR25H128A框图
 |
| MR25H256A框图
 |
Everspin Technologies 1Mb并行MRAM
Everspin Technologies MR0A08B、MR0D08B和MR0A16A为1,048,576位磁阻随机存取存储器 (MRAM)。Everspin MRAM支持双电源、串行SPI等各种规范,并有131,072字 x 8位或65,536字 x 16位两种构成方式。此系列MRAM拥有35ns或45ns的读/写周期(无写入延迟),以及出色的耐读/写能力。
MR0A08B特性
数据手册
-
131,072字 x 8位的双电源
-
35ns的快速读/写周期
-
SRAM兼容时序,无需重新设计即可使用现有SRAM控制器
-
出色的耐读/写能力
-
在工作温度范围内数据保持期长达20年以上而不会丢失
-
一个存储器即可替代系统中的闪存、SRAM、EEPROM和BBSRAM,获得更简单、高效的设计
-
用MRAM替代电池供电的SRAM解决方案,无需组装电池,提高了可靠性
-
3.3V电源
-
掉电时提供自动数据保护功能
|
MR0D08B特性
数据手册
-
131,072字 x 8位的双电源
-
45ns的快速读/写周期,并拥有出色的耐久性
-
SRAM兼容时序
-
在工作温度范围内数据保持期长达20年以上而不会丢失
-
一个存储器即可替代系统中的闪存、SRAM、EEPROM和BBSRAM,获得更简单、高效的设计
-
+3.3V电源
-
支持+1.65至+2.6V的I/O接口电压范围
-
替代电池供电的SRAM,提高了可靠性
|
MR0A16A特性
数据手册
-
35ns的快速读/写周期
-
由65,536字 x 16位构成
-
兼容SRAM周期,引脚布局采用现有的SRAM控制器,无需重新设计
-
出色的耐读/写能力
-
在工作温度范围内数据保持期长达20年以上而不会丢失
-
一个存储器即可替代系统中的闪存、SRAM、EEPROM和BBSRAM,获得更简单、高效的设计
-
用MRAM替代电池供电的SRAM解决方案,并消除了组装电池以及可靠性问题和不利因素
-
3.3V电源
-
掉电时提供自动数据保护功能
|
|
元器件编号
|
封装样式
|
|
MR0A08BCYS35
|
44-TSOP
|
|
MR0A08BSO35
|
32-SOIC
|
|
MR0A08BMA35
|
48-BGA
|
|
MR0A08BCMA35
|
48-BGA
|
| MR0A08BYS35 |
44-TSOP |
|
MR0A08BYS35R
|
44-TSOP, T&R
|
|
MR0A08BCYS35R
|
44-TSOP, T&R
|
|
MR0A08BSO35R
|
32-SOIC, T&R
|
|
MR0A08BMA35R
|
48-BGA, T&R
|
|
MR0A08BCMA35R
|
48-BGA, T&R
|
| MR0D08BMA45 |
48-BGA |
|
MR0D08BMA45R
|
48-BGA, T&R
|
|
MR0A16ACYS35
|
44-TSOP
|
|
MR0A16AYS35
|
44-TSOP
|
|
MR0A16AMA35
|
48-BGA
|
|
MR0A16ACMA35
|
48-BGA
|
|
MR0A16AVYS35
|
44-TSOP
|
|
MR0A16AVMA35
|
48-BGA
|
|
MR0A16AYS35R
|
44-TSOP
|
|
MR0A16ACYS35R
|
44-TSOP, T&R
|
|
MR0A16AVYS35R
|
44-TSOP, T&R
|
|
MR0A16AMA35R
|
48-BGA, T&R
|
|
MR0A16ACMA35R
|
48-BGA, T&R
|
|
MR0A16AVMA35R
|
48-BGA, T&R
|
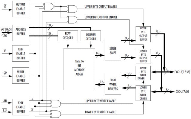
MR0A08B框图
MR0D08B框图
MR0A16A框图
|
|
Everspin Technologies 4Mb并行MRAM
Everspin Technologies MR2A08A和MR2A16A 4Mb并行MRAM具有兼容SRAM的35ns读/写周期,并拥有出色的耐久性。Everspin Technologies MR2A08A为524,288字 x 8位的4,194,304位磁阻随机存取存储器 (MRAM)。
Everspin MR2A16A为262,144字 x 16位的4,194,304位MRAM。数据保持期长达20年以上而不会丢失,并会在掉电时由低压抑制电路自动提供保护,以防止在非工作电压期间写入。对于必须快速、永久地存储和检索关键数据和程序的应用,MR2A08A和MR2A16A堪称理想的存储器解决方案。
MR2A08A和MR2A16A采用400-mil、44引脚薄小外形TSOP2封装,或8 mm x 8 mm 48引脚球栅阵列 (BGA) 封装(球中心距为0.75mm)。这两种封装形式均与较小的低功耗SRAM以及其他非易失性RAM兼容。
MR2A08A和MR2A16A能够在商业级(0至+70 °C)、工业级(-40至+85 °C)与扩展级(-40至+105 °C)温度范围内工作,并在整个温度范围内保持高度可靠的数据存储能力。
特性
-
512K x 8 MRAM存储器 (MR2A08A)
-
256K x 16 MRAM存储器 (MR2A16A)
-
35ns的快速读/写周期
-
SRAM兼容时序,采用现有的SRAM控制器,而无需重新设计
-
出色的耐读/写能力
-
在工作温度范围内数据保持期长达20年以上而不会丢失
-
一个存储器即可替代系统中的闪存、SRAM、EEPROM和BBSRAM,获得更简单、高效的设计
-
用MRAM替代电池供电的SRAM解决方案,无需组装电池,也了提高可靠性
-
3.3V电源
-
掉电时提供自动数据保护功能
-
商业、工业以及汽车级温度范围
-
符合RoHS标准的SRAM TSOPII封装
-
符合RoHS标准的SRAM BGA封装,电路板面积缩小3倍
|
|
元器件编号
|
封装样式
|
|
MR2A08AMA35
|
48-BGA
|
|
MR2A08ACMA35
|
48-BGA
|
|
MR2A08AYS35
|
44-TSOP
|
|
MR2A08ACYS35
|
44-TSOP
|
|
MR2A08AMYS35
|
44-TSOP
|
|
MR2A08AYS35R
|
44-TSOP, T&R
|
|
MR2A08ACYS35R
|
44-TSOP, T&R
|
|
MR2A08AMYS35R
|
44-TSOP, T&R
|
|
MR2A08AMA35R
|
48-BGA, T&R
|
|
MR2A08ACMA35R
|
48-BGA, T&R
|
|
MR2A16AMA35
|
48-BGA
|
|
MR2A16ACMA35
|
48-BGA
|
|
MR2A16AYS35
|
44-TSOP
|
|
MR2A16ACYS35
|
44-TSOP
|
|
MR2A16AVYS35
|
44-TSOP
|
|
MR2A16AVMA35
|
48-BGA
|
|
MR2A16AYS35R
|
44-TSOP, T&R
|
|
MR2A16ACYS35R
|
44-TSOP, T&R
|
|
MR2A16AVYS35R
|
44-TSOP, T&R
|
|
MR2A16AMA35R
|
48-BGA, T&R
|
|
MR2A16ACMA35R
|
48-BGA, T&R
|
|
MR2A16AVMA35R
|
48-BGA, T&R
|
| MR20H40CDF |
托盘 |
MR2A08A框图
MR2A16A框图
 |
Everspin Technologies 16Mb并行MRAM
Everspin Technologies MR4A08B和MR4A16B
16Mb并行MRAM具有兼容SRAM的35ns读/写周期,并拥有出色耐久性。Everspin Technologies MR4A08B为2,097,152字 x 8位的16,777,216位磁阻随机存取存储器 (MRAM)。
Everspin Technologies MR4A16B由1,048,576字 x 16位构成。对于这两款MRAM来说,数据保持期长达20年以上而不会丢失,并会在掉电时由低压抑制电路自动提供保护,以防止在非工作电压期间写入。
MR4A08B采用400-mil 44引脚薄小外形TSOP2封装,或10 mm x 10 mm 48引脚球栅阵列 (BGA) 封装(球中心距为0.75mm)。MR4A16B采用48引脚球栅阵列 (BGA) 小型封装和54引脚微小外形封装 (TSOPII)。
这两款器件能够在商业级(0至+70 °C)、工业级(-40至+85 °C)与扩展级(-40至+105 °C)温度范围内工作,并在整个温度范围内保持高度可靠的数据存储能力。
特性
-
+3.3V电源
-
35 ns快速读/写周期
-
SRAM兼容时序
-
出色的耐读/写能力
-
在工作温度范围内数据保持期长达20年以上而不会丢失
-
符合RoHS标准的小外形BGA和TSOP封装
|
优势
- 一个存储器即可替代系统中的闪存、SRAM、EEPROM和BBSRAM,获得更简单、高效的设计
-
替代电池供电的SRAM,提高可靠性
|
|
MR4A16B框图
 |
|
MR4A08B框图

|
|