HALO Electronics TG10-DA Mini Shielded Digital Audio Transformers

HALO Electronics TG10-DA Miniature Shielded Digital Audio Transformers provide a compact package solution to reduce the adverse effects of electromagnetic interference (EMI). The TG10-DA components offer a frequency bandwidth of 10kHz to 200MHz, low Cw/w (inter-winding capacitance), and an integrated shield for enhanced CMR performance. These devices can also produce 1500Vrms galvanic isolation between primary and secondary windings that protect expensive audio equipment from common-mode transient voltage, preventing potential damage to the IC. The TG10-DA series is ideal for use with Cirrus Logic digital audio transceivers.

Features

  • Designed for Cirrus Logic™ Digital Audio Transceivers
  • Robust patented open frame construction
  • Excellent performance for professional digital/audio AES/EBU applications
  • UL/EN60950 and DEMKO recognized
  • 100% Compliance Testing
  • Lead-free and RoHS compliant

Applications

  • Microphone pre-amps and amplifiers
  • Microphone splitters
  • CD-R, DAT, MD, DVD, and VTR equipment
  • Mixing consoles
  • Digital audio transmission equipment
  • Quality D/A and A/D audio converters
  • Effect processors
  • Computer audio systems
  • High-end headphone amplifiers
  • AES3 I/O filtering

Specifications

  • -40°C to +85°C temperature range
  • 1:1 ±2% turns ratio
  • 10kHz to 200MHz nominal bandwidth
  • 500Vrms to 1500Vrms isolation
  • 750µH inductance rating
  • 1.5kV isolation voltage

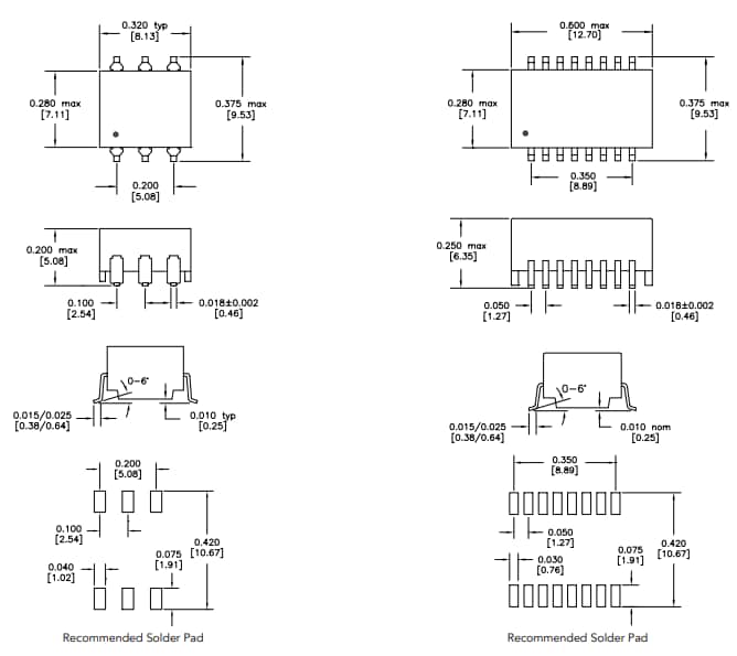
Package Layouts

Mechanical Drawing - HALO Electronics TG10-DA Mini Shielded Digital Audio Transformers
View Results ( 4 ) Page
物料编号 数据表 长度 宽度 高度 通道数量 屏蔽
TG10-DA1NSLF TG10-DA1NSLF 数据表 8.13 mm 7.11 mm 5.08 mm Single Shielded
TG10-DA1NSLFTR TG10-DA1NSLFTR 数据表 8.13 mm 7.11 mm 5.08 mm Shielded
TG10-DA2N5LF TG10-DA2N5LF 数据表 12.7 mm 7.11 mm 6.35 mm Dual Shielded
TG10-DA2N5LFTR TG10-DA2N5LFTR 数据表 12.7 mm 7.11 mm 6.35 mm Shielded
发布日期: 2016-08-01 | 更新日期: 2022-03-11