Harwin Datamate PIHR穿板式连接器
Harwin Datamate通孔插件回流焊 (PIHR) 穿板式连接器提供两种版本:采用安全锁定固定结构 (L-Tek) 的2到3位单排连接器,以及采用坚固螺钉固定结构 (J-Tek) 的4到50位双排版本。这些连接器采用耐用、低频接触设计,确保可靠的信号完整性。PIHR兼容的触点支持在不影响与PCB的机械固定强度的前提下,实现自动化穿板回流焊接装配工艺。Harwin PIHR连接器的其他特性包括阻燃性、玻璃填充的UL 94V-0级外壳,以及在振动和极端温度条件下提升耐用性的不锈钢螺钉,是航空航天、石油和天然气、军事和机器人应用的理想选择。特性
- 短尾设计
- 螺钉固定
- LF触点可选
- 2至50个位置可选
- 双排结构
- 玻璃填充、UL 94V-0级模具成型
应用
- 航空航天
- 航空
- 机器人
- 石油和天然气
- 汽车
- 军事
- 恶劣环境车辆
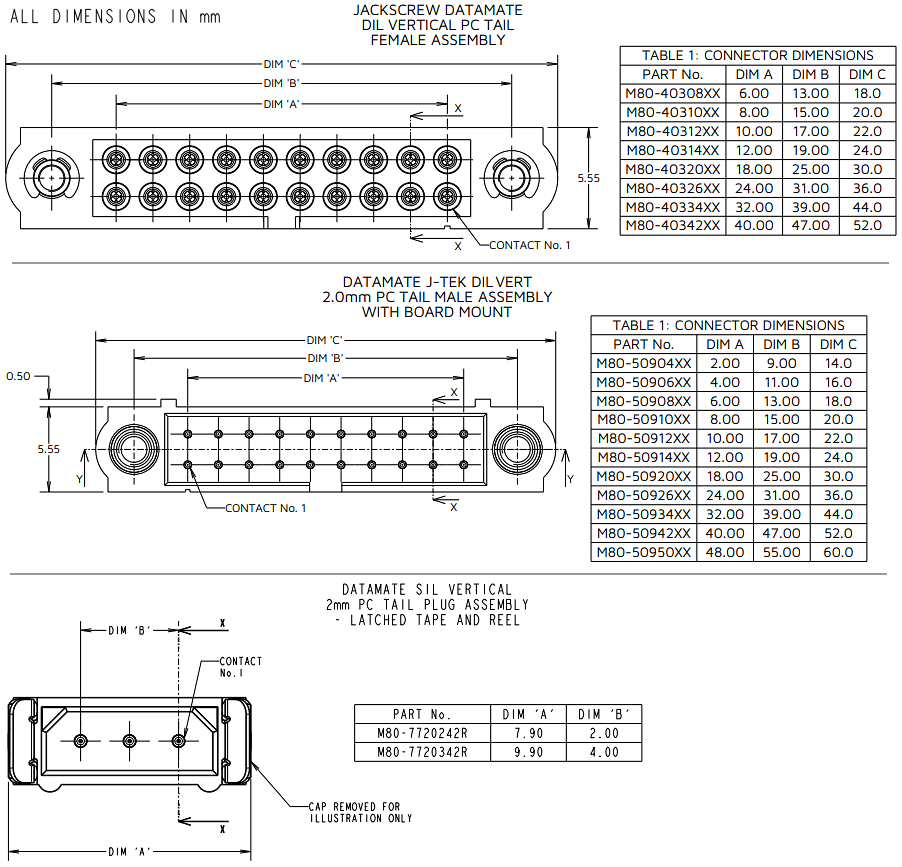
尺寸图
发布日期: 2025-05-13
| 更新日期: 2025-08-08
