CYW20730无线电设计用于为在全球可用的2.4GHz免授权ISM频段中运行的应用提供低功耗、低成本和稳健的通信。该器件完全符合蓝牙无线电规范 3.0。该款单片蓝牙收发器是一款采用标准数字 CMOS 工艺实现的单片元件,只需要极少外部元件即可构建完全兼容的蓝牙设备。CYW20730有三种封装选项可选:32引脚5mm × 5mm QFN、40引脚6mm × 6mm QFN和64引脚7mm × 7mm BGA。
特性
- 对常用键盘和鼠标接口提供片上支持,因此无需外部处理器
- 可编程键扫描矩阵接口,有多达 8×20 个键扫描矩阵
- 3 轴正交信号解码器
- 用于 3D 眼镜的快门控制
- 红外调制器
- 红外学习
- Triac 控制
- 触发 Broadcom 快速连接
- 支持自适应跳频
- 出色的接收器灵敏度
- 符合蓝牙规范 3.0,包括增强型功率控制(单向广播无连接数据)
- 符合蓝牙 HID 配置文件版本 1.0
- 符合蓝牙设备 ID 配置文件版本 1.3
- 符合蓝牙 AVRCP-CT 配置文件版本 1.3
- 10 位辅助模数转换器,有 28 个模拟通道
- 为串行外设接口(主从模式)提供片上支持
- Broadcom串行通信 (BSC) 接口(与Philips®(现为NXP)I2C从器件兼容)
- 可编程输出功率控制满足 2 类或 3 级要求
- 通过外部 PA 和 T/R 开关支持 1 类运行
- 基于 ARM Cortex™-M3 的集成式微处理器内核
- 片上上电复位 (POR)
- 支持 EEPROM 和串行闪存接口
- 集成低压降稳压器 (LDO)
- 由片上软件控制的电源管理单元
- 有三种封装类型可供选择:32引脚QFN封装 (5mm × 5mm);40引脚QFN封装 (6mm × 6mm);64引脚BGA封装 (7mm × 7mm),符合RoHS指令
应用
- 无线指针设备:鼠标、轨迹球、手势控制
- 无线键盘
- 3D 眼镜
- 远程控制
- 游戏控制器
- 销售点 (POS) 输入设备
- 远程传感器
- 家居自动化
- 个人健康和健身监测
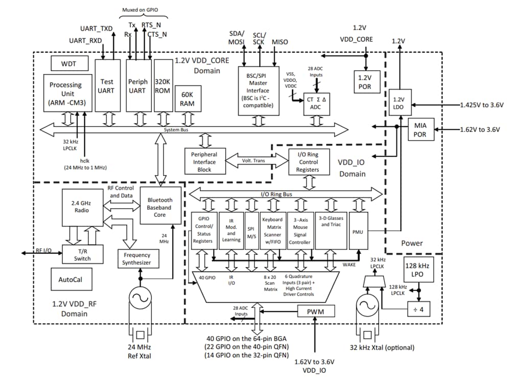
功能框图
发布日期: 2019-09-19
| 更新日期: 2024-01-30

