特性
- 无线充电联盟 (A4WP) 无线充电
- 支持RSA加密/解密和密钥交换机制(最高4kbit)
- 支持X.509证书交换
- 支持基于 NFC 标签的“单卡方案将快速配对”
- 支持基于蓝牙智能的音频
- 符合蓝牙低功耗 (BLE) 规范
- 红外调制器
- 红外学习
- 支持自适应跳频
- 出色的接收器灵敏度
- 10 位辅助模数转换器,有 9 个模拟通道
- 为串行外设接口(主从模式)提供片上支持
- Broadcom串行通信接口(兼容Philips® I2C从器件)
- 可编程输出功率控制
- 基于集成式ARM® Cortex™-M3的微处理器内核
- 自动化配置文件
- 支持安全 OTA
- 片上上电复位 (POR)
- 支持 EEPROM 和串行闪存接口
- 集成低压降稳压器 (LDO)
- 由片上软件控制的电源管理单元
- 封装类型:32 引脚 32-QFN 封装 (5×5mm)
- 符合RoHS指令
应用
- 电池状态
- 血压监护仪
- 找到我
- 心率监护仪
- 接近
- 温度计
- 计重秤
- 时间
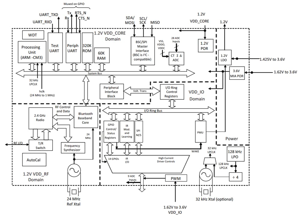
框图
发布日期: 2019-09-19
| 更新日期: 2024-01-30

