WLC1115是一款高度可编程的无线电源发射器和集成式USB-PD接收器解决方案,设有片上32位Arm® Cortex-M0处理器、128KB闪存、16KB RAM和32KB ROM,可用于用户应用。该器件还包括各种模拟和数字外设,例如模数转换器 (ADC)、 PWM和定时器。采用带模拟和数字外设的完全可编程MCU,可为自由定位发射器设计提供可扩展的多线圈无线充电解决方案。
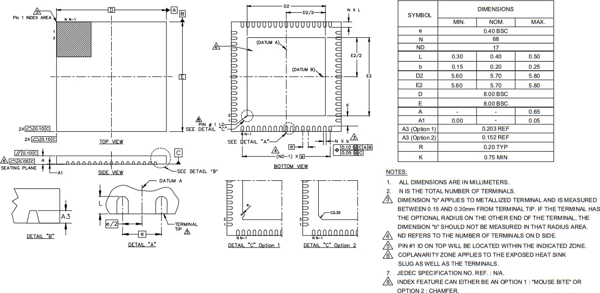
英飞凌科技 WLC1115无线充电发射器采用8.0mm x 8.0mm QFN-68封装,设有裸露焊盘,可提高散热性能。
特性
- 符合Qi 3.x标准的发射器 (MP-A11线圈)
- 集成USB-PD控制器
- 支持USB-PD 3.0版本
- 可编程电源 (PPS) 模式
- 支持QC 2.0、3.0和AFC等USB-PD传统充电协议
- 集成降压转换器控制器,用于VBRIDGE (VBRG)
- 集成栅极驱动器,用于降压转换器和逆变器
- 集成Q值检测
- 集成FSK调制器
- 宽输入电压范围:5V至24V
- I2C与UART通信端口
- 过流保护 (OCP)
- 过压保护 (OVP)
- 通过集成ADC电路和内部温度传感器支持过热保护
- 扩展工业温度范围:−40°C至+105°C
- 8.0mm x 8.0mm x 0.65mm QFN-68封装
应用
- 用于扩展功率配置文件 (EPP) (15W) 和基本功率配置文件 (BPP) (5W) 的无线充电焊盘
- 智能扬声器
- 便携式产品配件
- 家具和家用物品
- 扩展坞
- 支持高速充电
逻辑框图
典型应用电路
封装外形
发布日期: 2022-06-27
| 更新日期: 2022-11-04

