英飞凌100V至150V StrongIRFET™功率MOSFET采用行业标准TO-247封装,具有-55°C至+175°C的宽工作温度范围。
特性
- 在100V时,RDS(on) 低至1.3mΩ
- 在100V时,载流能力高达209A
- 漏极-源极电压:100V和150V
- 产品验证符合JEDEC标准
- 充分特征化的电容和雪崩SOA
- 高的栅极、雪崩和动态dV/dt稳定性
- 增强的体二极管dV/dt和dI/dt功能
- 宽工作温度范围:-55°C至+175°C
- 行业标准TO-247封装,可直接替代
应用
- 不间断电源 (UPS)
- 太阳能逆变器
- D类音频放大器
- 开关模式电源 (SMPS)
- 有刷和无刷直流电机驱动
- 电池供电电路
规格参数
典型应用电路
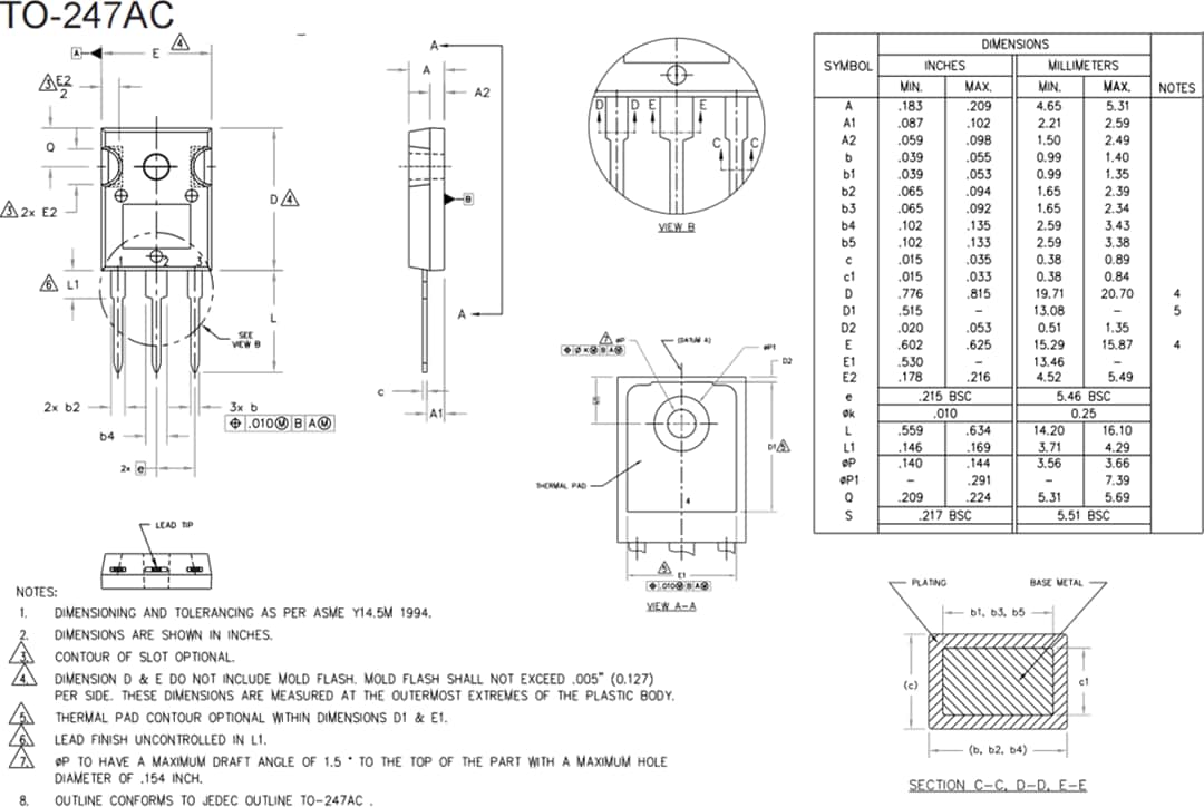
包装外形
发布日期: 2022-09-21
| 更新日期: 2022-09-22

