英飞凌科技1700V四单元IGBT模块采用EconoPACK™3和EconoDual 3封装,设有隔离基板,可优化散热。
特性
- 集成式NCT温度传感器
- 集电极-发射极饱和电压 (VCEsat),具有正温度系数
- 隔离式基板
- 焊接和PressFIT触点技术选项
- 集电极-发射极电压 (VCES):1700V
- 高直流稳定性
- 高短路能力
- 工作结温范围 (Tvjop):-40°C至+150°C
应用
- 工业加热和焊接
- 电机控制和驱动器
- 牵引
- 大功率转换器
- 中压转换器
- 风轮机
数据手册
- EconoPACK 3封装
- F4-100R17N3E4 :1700V (100A)
- F4-150R17N3P4 :1700V (150A)
- F4-200R17N3E4 :1700V (200A)
- EconoDUAL 3封装
- F4-100R17ME4_B11 :1700V (100A)
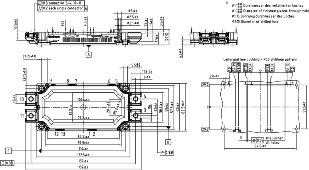
EconoDUAL 3封装外形
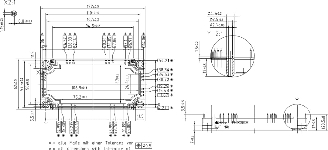
EconoPACK 3封装外形
发布日期: 2021-07-16
| 更新日期: 2023-09-05

