Infineon Technologies EiceDRIVER™ 1ED21x7x 650V高侧栅极驱动器
Infineon Technologies EiceDRIVER™ 1ED21x7x 650V高侧栅极驱动器设计用于为高压功率晶体管提供稳健高效的控制。这些英飞凌栅极驱动器采用高侧驱动器架构,支持各种应用,包括电机驱动器、太阳能逆变器和工业电源。1ED21x7x系列具有650V的最大额定电压,确保在严苛环境中可靠运行。主要特性包括集成自举二极管、快速开关能力,以及全面的保护机制,如欠压闭锁 (UVLO) 和过电流保护。这些特性使EiceDRIVER™ 1ED21x7x系列成为增强高压电源系统性能和可靠性的理想选择。特性
- 英飞凌薄膜SOI技术
- 最大阻断电压:+650V
- 输出拉/灌电流:±4A
- 最大电源电压:25 V
- 集成式超快速、低RDS(ON) 自举二极管
- 负VS瞬态抗扰度:100V
- 电源过流和欠压检测
- 多功能RCIN/故障/使能 (RFE) 具有可编程故障清除时间
- 传播延迟:小于100ns
- PG-DSO-8 封装
- 根据JEDEC47/20/22相关测试,符合工业应用要求
- 符合RoHS标准
应用
- 电机驱动器、通用逆变器
- 叉车
- 轻型电动汽车
规范
- 672V最大值高侧浮动井电源电压
- 0V至650V高侧浮动井电源失调电压范围
- 22V最大值高侧浮动井电源电压
- 22V最大值低侧电源电压
- 0V至5V逻辑I/O电压 (HIN/RFE) 范围
- 5µA最大值高侧浮动井失调供电漏电流
- VBS 静态供电电流:350µA(最大值)/270µA(典型值)
- VCC 静态供电电流:400µA(最大值)/270µA(典型值)
- 0.46V典型值高电平输出电压降
- 0.26V典型值低电平输出电压降
- 4A典型值导通/关断峰值输出电流
- 1µA至50µA最大值输入偏置电流
- 自举二极管
- VCC 与VB间正向电压范围:0.6V至1.1V
- VCC 与VB间正向电流:71mA(典型值)
- 50Ω最大值电阻,典型值35Ω
- 环境温度范围:-40 °C至+125 V
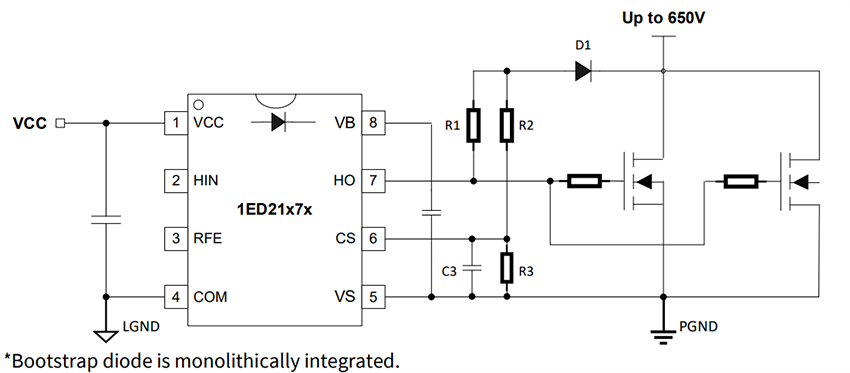
典型应用
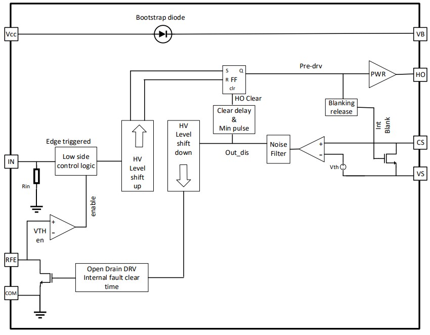
功能框图
发布日期: 2025-04-14
| 更新日期: 2025-04-21
