特性
- 功率密度大
- 非常低的切换损失
- .XT互连技术,实现同类最佳的散热性能
- 出色的可靠性
- 高效率
- 提高了湿度稳健性
- 用于硬换向的稳健机身二极管
- 易于设计
规范
- THT安装
- 4个引脚
- 2000V VDSS 用于高直流链路系统,最高可达1500VDC
- 4.5V基准栅极阈值电压
- 创新HCC封装,具有14mm爬电和5.5mm间隙距离
- 工作温度范围:-55°C至175°C
- 175°C工作结温
应用
- 储能系统
- EV充电
- 组列逆变器
- 太阳能电源优化器
视频
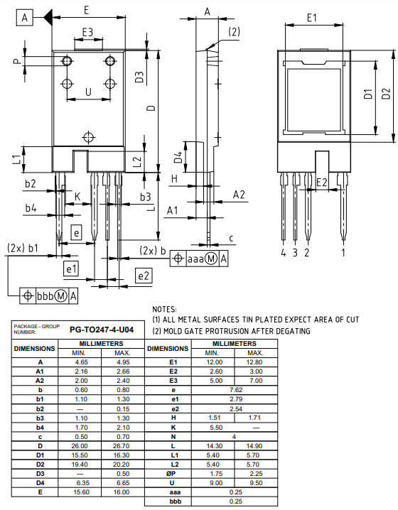
引脚示意图
封装外形
View Results ( 5 ) Page
| 物料编号 | 数据表 | Pd-功率耗散 | Qg-栅极电荷 | Rds On-漏源导通电阻 | Id-连续漏极电流 | 典型接通延迟时间 | 典型关闭延迟时间 | 上升时间 | 下降时间 | 正向跨导 - 最小值 |
|---|---|---|---|---|---|---|---|---|---|---|
| IMYH200R012M1HXKSA1 | ![]() |
552 W | 246 nC | 16.5 mOhms | 123 A | 16 ns | 50 ns | 13 ns | 24 ns | 30 S |
| IMYH200R024M1HXKSA1 | ![]() |
576 W | 137 nC | 33 mOhms | 89 A | 19 ns | 40 ns | 11 ns | 16 ns | 20 S |
| IMYH200R050M1HXKSA1 | ![]() |
348 W | 82 nC | 64 mOhms | 48 A | 17 ns | 36 ns | 9 ns | 12 ns | 10 S |
| IMYH200R075M1HXKSA1 | ![]() |
267 W | 64 nC | 98 mOhms | 34 A | 7 ns | 26 ns | 5 ns | 7 ns | 6.5 S |
| IMYH200R100M1HXKSA1 | ![]() |
217 W | 55 nC | 131 mOhms | 26 A | 2 ns | 21 ns | 3 ns | 5 ns | 5 S |
发布日期: 2023-08-02
| 更新日期: 2023-08-29


