三相6ED223xS12T IC提供开漏故障信号,以指示过流或欠压关断。 通过RC网络在外部编程延迟后自动清除故障条件。这些输出驱动器具有高脉冲电流缓冲级,旨在实现最小的驱动器交叉传导。浮动通道可用于在工作电压高达200V的高侧配置下驱动N通道功率MOSFET或IGBT。可匹配传播延以简化HVIC在高频应用中的使用。
特性
- 三相解决方案,采用英飞凌绝缘体上硅 (SOI) 技术,具有集成式自举二极管 (BSD)
- 死区时间和跨导预防逻辑
- 在高达+1200V偏移电压下仍正常工作
- 容许负瞬变电压(高达-100V),dV/dt抑制
- 双通道欠压闭锁
- 过流保护,具有±5% ITRIP阈值
- 同一引脚上故障报告、自动故障清除和使能功能 (RFE)
- 所有通道均有匹配的传播延迟
- 集成460ns死区时间保护
- 击穿(交叉传导)保护
- 低静态电流
- 高功效
- 快速、可靠开关
- 增加设备可靠性
- 低成本自举电源
- 简单、易用、直观的设计
- 各种输入选项
- 标准引脚分配和封装
应用
- 工业驱动器
- 电机控制
- 通用逆变器
- 商业和住宅空调
规范
- 额定电压:1200V
- 输出电流
- 0.35A拉电流
- 0.65A灌电流
- 输出拉电流/灌电流能力:+0.35A/‐0.65A
- 6通道
- 环境温度范围:-40°C至+125°C
- 传播延迟
- 700ns(导通)
- 650ns(关断)
- 输入范围:10V至20V
- 3.3V、5V和15V输入逻辑兼容
数据手册
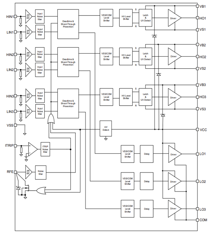
功能框图
发布日期: 2023-01-26
| 更新日期: 2023-07-03

