英飞凌DF4-19MR20W3M1HF_B11 EasyPACK模块符合工业和太阳能应用标准。
特性
- 电气特性
- VDSS = 2000V
- IDN = 60A / IDRM = 120A
- 大电流密度
- 低电感设计
- 机械特性
- 由于集成安装夹,所以坚固耐用
- PressFIT触点技术
- 集成NTC温度传感器
应用
- 符合IEC 60747、60749和60068相关测试的工业应用要求。
- 太阳能应用
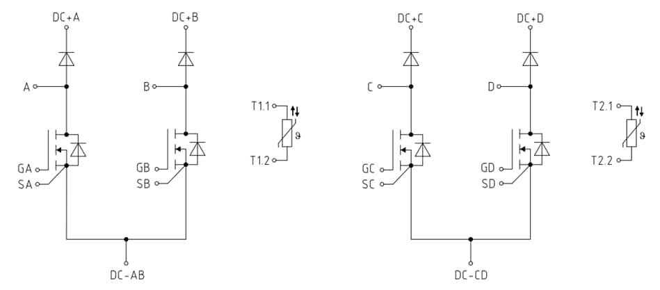
电路图
封装外形
发布日期: 2022-10-20
| 更新日期: 2022-12-29

