特性
- 出色的封装,尺寸为62.8mm x 33.8mm x 12mm(LxWxH)
- 将先进的WBG材料和简易模块封装结合在一起
- 模块杂散电感非常低
- 宽RBSOA
- 1200V CoolSiC MOSFET,采用增强型第一代沟槽技术
- 扩展的推荐栅极驱动电压范围:0至5V和+15V至+18V
- 扩展的最大栅极-源极电压:+23V和-10V
- 漏极-源极导通电阻选项:17mΩ或33mΩ
- 过载条件下Tvjop高达+175°C
- PressFIT引脚
- 集成NTC温度传感器
- 热界面材料(xHP_B11型号)
- 集成的安装夹
- 实现更高频率,提高功率密度
- 出色的模块效率和性价比,可降低系统成本
- 提高系统效率,降低冷却要求
- 符合RoHS指令
应用
- 高频开关应用
- DC/DC转换器
- 不间断电源 (UPS) 系统
- 电动汽车用直流充电器(FF17MR12W1HX型号)
- 电机驱动器(F33MR12W1M1Hx型号)
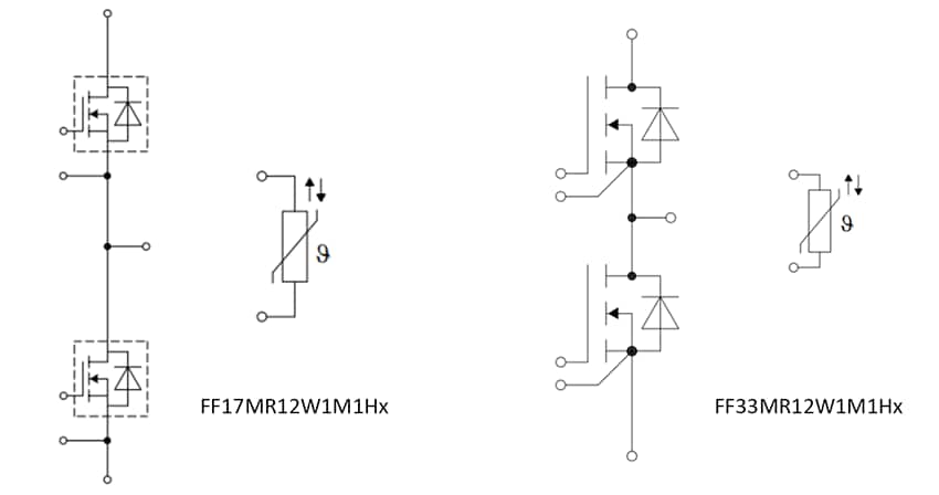
示意图
发布日期: 2023-06-05
| 更新日期: 2023-06-12

