Infineon Technologies EasyPACK™ CoolSiC™沟槽MOSFET模块
英飞凌EasyPACK™ CoolSiC™沟槽MOSFET模块 采用PressFIT接触技术,并集成了负温度系数 (NTC) 温度传感器。这些模块在1200V 漏-源电压下工作,具有低电感设计、低开关损耗和大电流密度。EasyPACK™模块由于集成了安装夹,因此安装牢固,且封装CTI >600。应用包括高频开关设备、DC/DC转换器和电动汽车的DC充电器。凭借Easy 2C系列,英飞凌让更多大功率设计使用SiC G2技术和先进的XT特性。该XT技术增强了坚固性并扩展了运行温度,而第二代SiC MOSFET技术改进了栅极氧化物可靠性并降低了导通电阻。凭借Easy 2C系列,英飞凌利用SiC G2技术和先进功能,提升了高功率设计。XT功能革新大功率设计,为苛刻的应用提供卓越的性能。该XT技术提供了增强的坚固性和扩展的工作温度范围,而第二代SiC MOSFET技术则提供了改进的栅极氧化物可靠性和降低的导通电阻。
特性
- 第二代SiC G2 MOSFET技术具有改进的门氧化物可靠性
- Easy 2C™外壳
- 增强XT技术可实现扩展温度操作和卓越的坚固性
- 超低的开关损耗,可实现高达MHz范围的高频操作
- 1200V VDSS额定值,具有出色的电流处理能力
- 先进的热界面,集成了NTC温度传感器和优化的底板设计
- 低电感封装设计,最大限度地减少寄生效应和EMI
- PressFIT接触技术,实现可靠的无焊连接
- 一体的安装夹确保牢固的机械组装
- CTI >600封装等级,具有增强的爬电距离和电气间隙性能
- 高电流引脚配置,针对电力应用进行了优化
- 宽安全工作区域 (SOA),提供设计灵活性与故障容限
- 符合IEC 60747、60749和60068测试协议的工业标准
应用
- 高频开关器件
- DC/DC转换器
- 电动汽车的DC充电器
视频
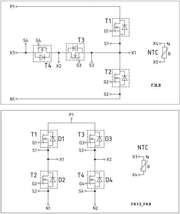
电路图
发布日期: 2025-09-30
| 更新日期: 2026-02-17
