Infineon Technologies EasyPIM™ IGBT模块

Infineon Technologies EasyPIM™ IGBT模块是一款三相输入整流器PIM IGBT模块,采用TRENCHSTOP™ IGBT7、发射器控制7二极管和NTC/PressFIT技术。该模块具有增强的dv/dt可控性、改进的FWD软度、优化的开关损耗以及8μs短路稳定性。EasyPIM(功率集成模块)外形非常小巧,有助于实现较高的功率密度。该模块降低了系统成本和损耗,可满足高能效要求。典型应用包括辅助逆变器、空调、伺服电机和暖通空调 (HVAC)。

特性

  • 低导通状态电压VCE(sat) 和Vf
  • Tvj op=175°C(过载时)
  • 增强的dV/dt可控性
  • 优化的开关损耗,dv/dt=5kV/µs
  • 8μs短路稳定性
  • 改进的FWD软度
  • 采用小型电源模块,提高了功率密度
  • 损耗低,可满足高能效要求
  • 同时降低损耗和EMI
  • 较低系统成本

应用

  • 辅助逆变器
  • 空调
  • 伺服电机
  • 电机控制和驱动器
  • 暖通空调 (HVAC)

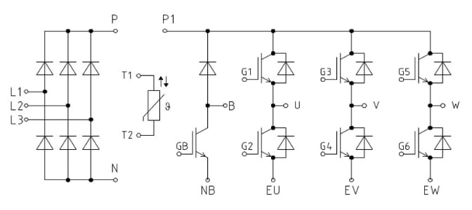
电路图

应用电路图 - Infineon Technologies EasyPIM™ IGBT模块

视频

发布日期: 2019-04-03 | 更新日期: 2026-02-12