特性
- 母板EB 2ED2410 3M:
- 开关自我保护和电线保护(如短路或I-t电线保护)
- 故障识别(通过DGx引脚)
- 开关运行条件监测(PCB温度和MOSFET栅极源泄漏)
- 所连接MOSFET的故障模式分析
- 子板EB 2ED2410 3D:
- N沟道MOSFET共漏极
- 共源结构,带或不带预充电电路
- 设计用于简单的即插即用香蕉接头
母板概述
子板-1BCD概述
子板概述 - 1BCDP
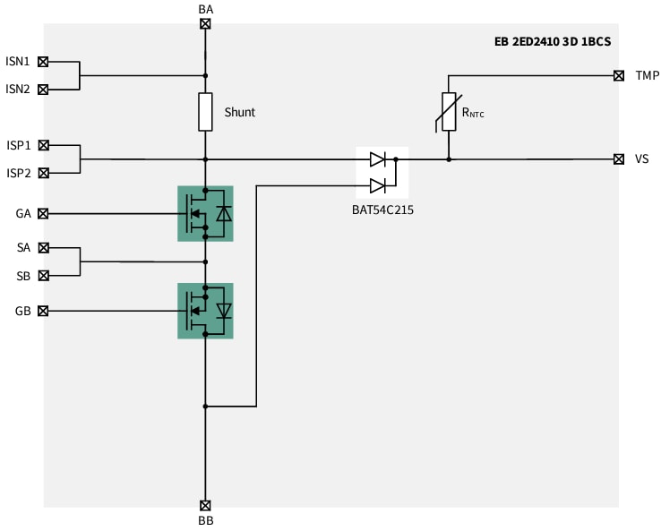
子板-1BCS概述
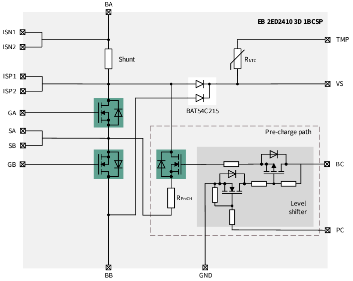
子板概述 - 1BCSP
发布日期: 2023-08-03
| 更新日期: 2023-08-24

