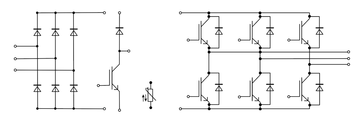
英飞凌EconoPIM 2和3模块均集成了一个整流器桥、一个制动斩波器和一个逆变器级。提供EconoPIM和EconoPACK系列可选。Econo外壳包括一个用于优化散热的铜基板,并设有热敏电阻 (NTC)。
Econo模块可采用可焊接引脚或PressFIT引脚,越来越多的Econo模块采用预涂TIM。特定的Econo模块具有集成分流器,可实现准确、经济的电流检测。
EconoPIM 2和3模块采用平面IGBT芯片技术标准,可实现低开关损耗、饱和电压和高开关频率。此外,该器件还具有经过优化的IGBT4 (650V/1200V/1700V)。
特性
- 将整流器桥、制动斩波器、逆变器级和NTC集成在一个封装中,节省系统成本
- 采用可定制封装,灵活性高(可根据客户需求调整引脚位置和拓扑)
- 多种拓扑、电压 (600V-1700V) 和电流 (15A-150A),可用于多种平台战略应用
- 功率密度Trenchstop™ IGBT4技术,Tvjop=150°C ,功率密度高于Trenchstop™ IGBT3,实现紧凑型逆变器设计
- 预涂热界面材料 (TIM),与标准模块相比,输出功率更高,使用寿命更长
- 符合RoHS指令的成熟外壳概念,实现高可用性
- PressFIT用于主端子和辅助端子,减少安装工作量
应用
- 驱动器
- 空调
- UPS
视频
概述
拓扑
发布日期: 2020-08-05
| 更新日期: 2022-03-11

