特性
- 独特的薄膜绝缘体上硅 (SOI) 技术
- 用于自举操作的浮动通道
- 最大自举电压:1225V(VB节点)
- 工作电压:高达1200V(VS节点)
- 瞬态电压抗扰度:100V负VS
- 重复700ns脉冲
- 拉/灌电流峰值输出能力:2.3A/4.6A
- 集成超快过电流保护 (OCP)
- ±5%的高精度基准阈值
- 小于1µs的过电流传感器到输出关断
- 集成超快和低电阻的自举二极管
- 集成死区时间和击穿保护逻辑 (2ED1322S12M)
- 启用、故障和可编程故障清除RFE输入
- VS引脚上的逻辑工作电压:高达-8V
- 独立的各通道欠压锁定 (UVLO)
- 最大电源电压:25V VCC
- 独立逻辑 (VSS) 和输出接地 (COM)
- 间隙/爬电距离:大于5mm
- ESD能力:2kV HBM
规范
- VS_OFFSET = 1200V(最大值)
- Io+ / Io- = 2.3A/4.6A(峰值)
- VCC = 13V至20V(典型值)
- 传播延迟=500ns(典型值)
- 死区时间=380ns(典型值)
应用
- 工业驱动器
- 泵和风扇电机控制用嵌入式变频器
- 商用和轻型商用空调
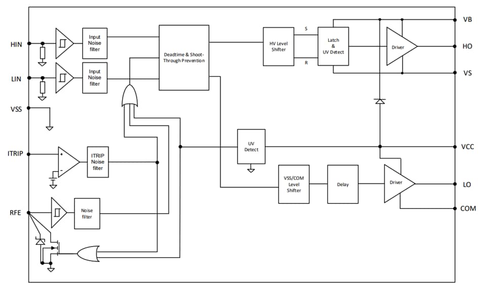
2ED1322S12M框图
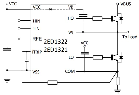
典型应用电路图
其他资源
发布日期: 2023-05-12
| 更新日期: 2023-06-02

