Infineon Technologies FS3L200R10W3S7F_B11 EasyPACK™ 3级IGBT模块

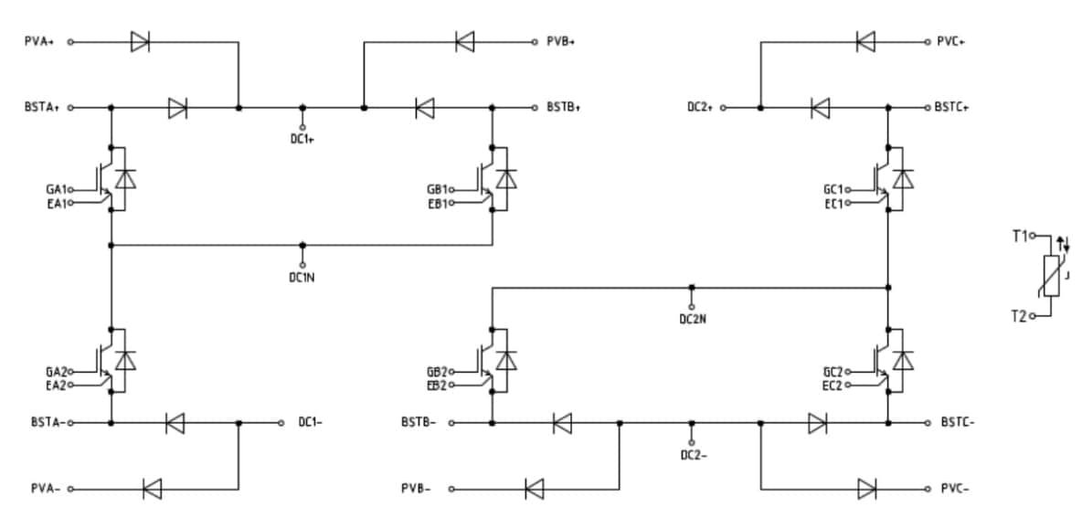
英飞凌科技FS3L200R10W3S7F_B11 EasyPACK™ 3级IGBT模块,是一款950V、200A双路升压模块,具有1200V CoolSiC™二极管、TRENCHSTOP™ IGBT7、NTC和PressFIT接触技术。FS3L200R10W3S7F_B11采用带PressFIT引脚的无基板设计。F3L400R10W3S7F_B11和F3L400R10W3S7_B11结合,为1500V三相光伏灯串逆变器提供整体解决方案。

特性

  • S7,具有极低开关损耗和软关断特性
  • 1200V CoolSiC™二极管可降低IGBT的开关损耗
  • 双升压拓扑、3个MPPT电路集成在一个模块中
  • 每个MPPT电路均集成了旁路二极管和反极性保护二极管
  • CTI>400
  • 创新的机械设计降低了Rthjh
  • Tvj op=150°C
  • 无基板设计
  • PressFIT引脚

典型应用电路

应用电路图 - Infineon Technologies FS3L200R10W3S7F_B11 EasyPACK™ 3级IGBT模块
发布日期: 2021-09-18 | 更新日期: 2022-03-11