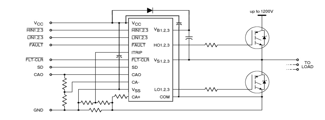
英飞凌科技IR2133/IR2135/IR2233/IR2235栅极驱动器IC具有可用的关断功能,可端接所有六路输出。开漏FAULT信号指示发生过过流或欠压关断。通过匹配传播延迟简化在高频应用中的使用。浮动通道可用于驱动采用高侧配置的N沟道功率MOSFET或IGBT,工作电压高达600V或1200V。
特性
- 用于自举操作的浮动通道
- 在高达+600V或+1200V下仍正常工作
- 可承受负瞬态电压
- dV/dt抗噪
- 栅极驱动电源范围为10V/12V至20V DC,瞬态电压高达25V
- 所有通道均可欠压闭锁
- 过电流关断关闭所有六个驱动器
- 独立的3个半桥驱动器
- 所有通道均有匹配的传播延迟
- 兼容2.5V逻辑
- 输出与输入异相
- 所有零件均不含铅
应用
- 家用电器
- 电机控制和驱动器
- 机器人
- 家居和楼宇自动化
- 电动工具
- 3D打印机
其他资源
典型连接
功能框图
发布日期: 2020-07-08
| 更新日期: 2024-11-04

