The IR38060 can be comprehensively configured via PMBus and the configuration stored in internal memory. In addition, PMBus commands allow run-time control, fault status, and telemetry.
The IR38060 can also operate as a standard analog regulator without any programming and can provide current and temperature telemetry in an analog format.
The Infineon Technologies IR38060 PMBus SupIRBuck DC-DC Regulator is offered in a compact 5mm x 6mm PQFN-26 package, ideal for space-constrained applications.
特性
- 内部LDO允许单16V运行
- 输出电压范围:0.5V至0.875 PVin
- 0.5%精确基准电压
- 使用Rt/Sync引脚或PMBus的可编程开关频率高达1.5MHz
- 内部软启动,带预偏置启动
- 使能输入,带电压监控功能
- 远程检测放大器,带真差分电压检测
- 快速模式I2C和400kHz PMBus接口
- 排序和跟踪能力
- 可选择的模拟模式或数字模式
- 66 PMBus命令,用于配置、控制、故障保护和遥测
- 热补偿电流限制,带有可配置过流响应
- 可选轻负载效率模式
- 平滑时钟外部同步
- 专用输出电压检测保护,即使在使能为低电平时仍然保持有效
- 集成式MOSFET和自举二极管
- 工作结点温度: -40°C<Tj<125°C
- 小尺寸5x6mm PQFN
- 无铅(符合RoHS指令)
应用
- DC-DC
- Desktop and workstations
- Graphic boards
- Netcom and telecom
- Point of Load (PoL)
- Servers and storage
Typical Application Circuit
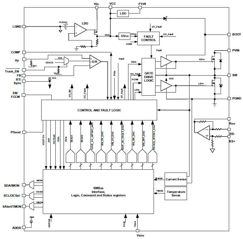
框图
发布日期: 2016-09-30
| 更新日期: 2026-03-09

