Infineon Technologies OptiMOS™ 7 80V汽车级功率MOSFET
英飞凌OptiMOS™ 7 80V汽车级功率MOSFET采用英飞凌的前沿功率半导体技术制造。这些MOSFET专为满足汽车应用对高性能、质量和可靠性的严格要求而设计。OptiMOS™ 7 80V MOSFET工作采用±20VGS栅-源电压,工作在-55°C至+175°C温度范围内。这些MOSFET采用顶部冷却SSO10T 5x7mm2 SMD封装。SSO10T封装有助于用户在散热和功率密度方面取得进展。80V功率MOSFET符合MSL-1评级,符合 RoHS 标准且100%经过雪崩测试。这些功率MOSFET非常适合一般汽车应用。特性
- 直接冷却路径至ECU外壳
- 几乎没有热量流入PCB
- 业界最大的暴露焊盘区域
- 在封装下自由布线
- 可在PCB背面安装零件
- 出色的导通电阻 (RDS(on))
- 快速切换时间(开/关)
- 窄阈值电压 (VGS(th)) 范围
- 超越AEC-Q101标准要求
- 增强型电气测试
- 封装已通过JEDEC认证
- 使能出色的热管理
- 改善20%至50%的热阻抗
- 改善20%至50%的热阻力
- 有助于减少ECU体积或PCB区域
- 有助于降低PCB成本(区域、铜和通孔)
- 减少PCB和系统设计工作量
- 有助于实现最高的功率密度
- 减少传导损耗
- 卓越的开关性能
- 非常适合并行放置
- 汽车级质量与可靠性
- 有可能成为第二供应商
应用
- 汽车领域:
- 48V电动助力转向系统 (EPS)
- Led前照灯照明
- DC-AC逆变器
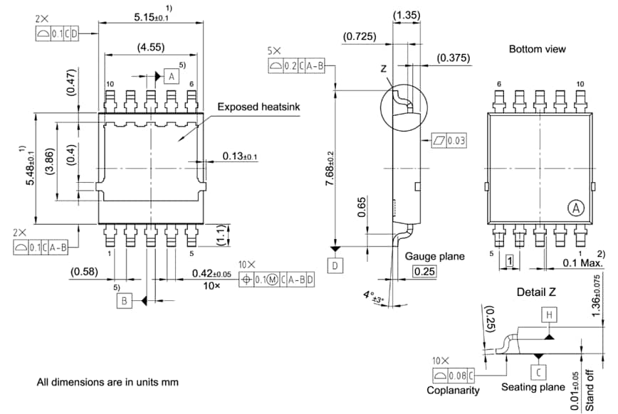
尺寸
View Results ( 13 ) Page
| 物料编号 | 数据表 | 下降时间 | Id-连续漏极电流 | 封装 / 箱体 | Pd-功率耗散 | Qg-栅极电荷 | Rds On-漏源导通电阻 | 上升时间 | Vds-漏源极击穿电压 | Vgs - 栅极-源极电压 | Vgs th-栅源极阈值电压 |
|---|---|---|---|---|---|---|---|---|---|---|---|
| IAUCN08S7L024ATMA1 | ![]() |
20 ns | 177 A | PG-TDSON-8 | 148 W | 65.2 nC | 2.4 mOhms | 9 ns | 80 V | 16 V | 2 V |
| IAUCN10S7L040ATMA1 | ![]() |
14 ns | 130 A | PG-TDSON-8 | 118 W | 44.3 nC | 3.3 mOhms | 5.9 ns | 100 V | 16 V | 2 V |
| IAUCN08S7L013ATMA1 | ![]() |
35 ns | 293 A | PG-TDSON-8 | 219 W | 120 nC | 1.26 mOhms | 14 ns | 80 V | 20 V | 2 V |
| IAUCN08S7L018ATMA1 | ![]() |
25 ns | 210 A | PG-TDSON-8 | 169 W | 79.9 nC | 1.8 mOhms | 11 ns | 80 V | 20 V | 2 V |
| IAUCN08S7L033ATMA1 | ![]() |
14 ns | 130 A | PG-TDSON-8 | 118 W | 44.3 nC | 3.3 mOhms | 5.9 ns | 80 V | 16 V | 2 V |
| IAUCN08S7N016TATMA1 | ![]() |
20 ns | 262 A | PG-LHDSO-10-3 | 205 W | 83 nC | 1.63 mOhms | 18 ns | 80 V | 20 V | 3.2 V |
| IAUCN08S7N019TATMA1 | ![]() |
17 ns | 223 A | PG-LHDSO-10-2 | 180 W | 68 nC | 1.94 mOhms | 16 ns | 80 V | 20 V | 3.2 V |
| IAUCN08S7N024TATMA1 | ![]() |
16 ns | 186 A | PG-LHDSO-10-1 | 157 W | 54 nC | 2.44 mOhms | 16 ns | 80 V | 20 V | 3.2 V |
| IAUCN08S7N045TATMA1 | ![]() |
9 ns | 103 A | PG-LHDSO-10-1 | 98 W | 27 nC | 4.54 mOhms | 9 ns | 80 V | 20 V | 3.2 V |
| IAUZN08S7N046ATMA1 | ![]() |
7 ns | 99 A | PG-TDSON-8 | 94 W | 27.2 nC | 4.6 mOhms | 3.7 ns | 80 V | 20 V | 3.2 V |
发布日期: 2025-07-23
| 更新日期: 2025-08-19

