特性
- 输出电流调整微调电位器
- 功率降额电路
- 冷启动生存电路
- 输出功率高达21W,效率超过85%
- 1 A最大输出电流
- 输出电压范围:16 V至23 V
- 电源电压范围:8V至27V
- 符合AEC标准
- 符合RoHS标准
应用
- 日间行车灯
- 远光灯
- 近光灯
- 全大灯
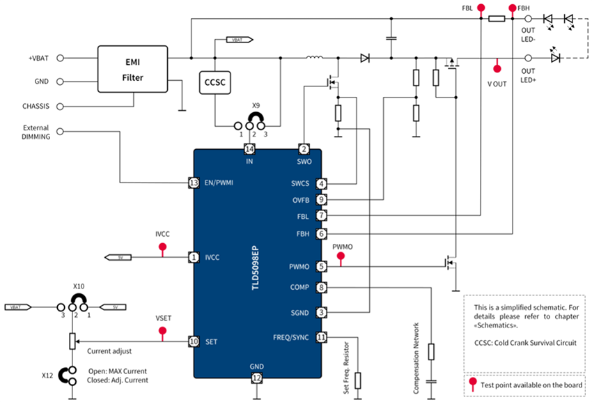
简化示意图
默认配置
电流调整
功率降额
冷启动生存电路
发布日期: 2025-01-31
| 更新日期: 2025-02-13

