Infineon Technologies TLD5191IVREG_EVA评估板
英飞凌科技TLD5191IVREG_EVA评估板用于评估TLD5191ES同步MOSFET半桥直流-直流控制器。该评估板采用大功率、高效降压-升压架构。TLD5191IVREG_EVA评估板是一款EMC优化型器件,具有恒定电流 (LED) 和恒定电压调节功能。得益于高效率和低EMI辐射,该评估板可实现紧凑设计。TLD5191IVREG_EVA评估板具有6A最大输出电流、6V至35V的电源电压范围以及5V至47V的输出电压范围。典型应用包括汽车应用、用于恒流或恒压应用的通用直流-直流转换器(如USB、移动无线充电器)以及用于信息娱乐的多用途预稳压应用。特性
- 恒定电流 (led) 和恒定电压调节
- 大功率、高效降压-升压架构
- 嵌入式PWM引擎,用于数字调光
- EMC优化器件(扩频)
- 由于高效率,可实现紧凑型设计
- 更低的EMI辐射
- 得益于可靠的保护功能,可轻松诊断负载
规范
- 最大输出电流:6A
- 电源电压范围:6V至35V
- 输出电压范围:5V至47V
- 开关频率:385kHz
- 275Hz PWM频率(嵌入式PWM引擎启用)
应用
- 专门设计用于驱动汽车应用中的大功率LED
- 汽车外部照明:完整的LED前照灯组件(近光灯、远光灯、矩阵灯和像素灯)
- 用于后灯组件的预稳压器
- 用于恒流或恒压应用的通用直流-直流转换器(如USB、移动无线充电器)以及用于信息娱乐的多用途预稳压应用
PCB布局
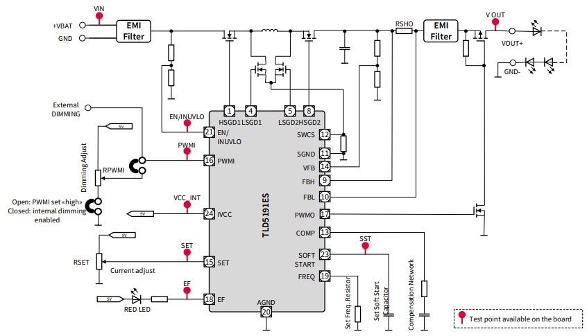
恒流模式下的简化原理图(LED驱动器)
其他资源
发布日期: 2023-11-15
| 更新日期: 2024-01-26
