Infineon Technologies TLE4973 XENSIV™无芯电流传感器
英飞凌科技TLE4973 XENSIV™ 无芯电流传感器是高精度、微型磁性电流传感器,用于交流和直流测量,具有模拟接口和快速过流检测输出。差分测量原理支持在恶劣环境中工作的杂散磁场抑制,高可配置性可实现针对各种应用的定制。用户可编程参数(例如OCD阈值和灵敏度设置)存储在嵌入式EEPROM中。可通过基于UART的单线数字控制诊断接口 (DCDI) 现场进行器件配置。DCDI接口提供对器件内部寄存器的读/写访问,并允许器件触发诊断模式以及读取温度、OCD和安全状态。该传感器具有自动寻址功能,可在一条总线上处理多达八个从器件。特性
- 高精度、可扩展的直流和交流电流检测
- 满量程高达±34mT(电流测量超过1000A)
- 电源电压:5V
- 模拟输出
- 可为TLE4973-xE35x5-S0001配置差分(包括比例输出选项)
- TLE4973-RE35x5-S0010的比例单端
- ISO 26262独立安全单元,可满足高达ASIL B的安全要求
- 凭借小尺寸实现高功率密度
- 在整个温度和使用寿命范围内具有极低的灵敏度误差
- 在整个温度和使用寿命范围内具有出色的失调稳定性
- 差分传感器原理确保了出色的杂散磁场抑制
- 高带宽提供了快速响应时间和低相位延迟
- 具有可配置阈值的过流检测(最大检测时间< 1.0μs)
- 带集成电荷泵的EEPROM,无需额外电路即可进行系统内编程和行尾校准
- 不同的封装解决方案为不同的接线方案实现最佳的系统集成
- 数字控制和诊断接口;提供温度读数、安全状态读数、内部EEPROM读/写编程访问以及诊断模式控制
- 在整个温度范围内预校准,可进行系统内线路终端校准,以补偿系统级误差
- 符合AEC-Q100标准0级
- 符合RoHS指令
应用
- 主和辅助电气驱动器
- 过载和过流检测
- 电池主开关
- 智能断路器
- 光伏逆变器
- 电流监控和电源
框图
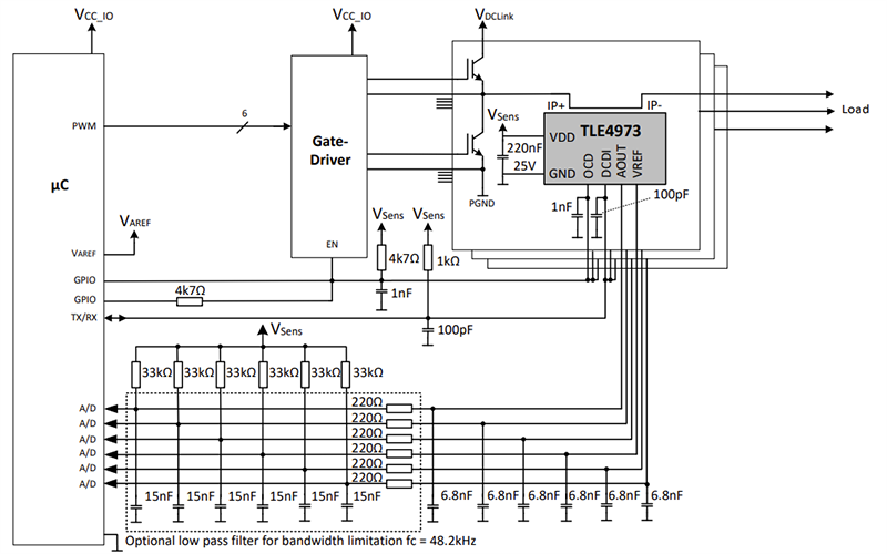
典型应用原理图
发布日期: 2023-11-28
| 更新日期: 2025-02-09
