Infineon Technologies TLE7209-3R面向直流电机应用的7A H桥

Infineon Technologies TLE7209-3R面向直流电机应用的7A H桥设计用于在安全关键型应用中和极端环境条件下控制直流和步进电机。TLE7209-3R H桥具有过热和短路保护特性。该H桥可对所有电源电压“VS”(主直流电源)进行欠压锁定。所有不正常运行均使输出级进入三态。该器件可通过DMS引脚进行配置。该器件可在接地后通过简单的错误标志提供诊断信息。由VCC = 5 V供电时,该器件以SPI模式工作。在该模式下,可通过串行接口提供详细的故障诊断。

特性

  • 工作电源电压:5V至28V
  • 针对每个输出晶体管的典型RDSon:150mΩ (25°C)
  • 连续直流负载电流:5A (TC < 100°C)
  • 输出电流限值:6.6A ± 1.1A(典型值)
  • 输出电流超过8A时短路关闭
  • 逻辑输入TTL/CMOS兼容
  • 高达30kHz的输出开关频率
  • 上升和下降时间,优化用于0.5kHz至2kHz
  • 过热保护
  • 短路保护
  • 欠压禁用功能
  • 通过SPI或状态标志进行诊断(可配置)
  • 启用和禁用输入
  • PG-DSO-20-65封装
  • 绿色产品(符合RoHS指令)

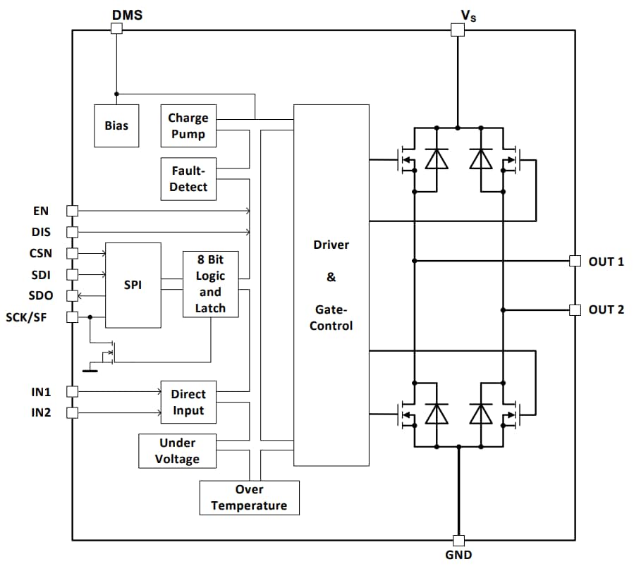
框图

框图 - Infineon Technologies TLE7209-3R面向直流电机应用的7A H桥
发布日期: 2018-06-19 | 更新日期: 2024-12-10