Infineon Technologies TLE7x低侧电源开关
英飞凌科技TLE7x低侧电源开关是8通道开关,设计用于控制汽车和工业应用中的继电器和LED。这些开关具有用于控制和诊断的16位串行外设接口、菊花链功能、过流闭锁、热关断闭锁和过压保护等特性。TLE7x开关的诊断特性包括导通状态下过载检测、断开状态下开路负载检测、输出状态监控器和输入状态监控器。TLE7x开关还具有接地失效保护、电池失效保护和静电放电 (ESD) 保护等特性。这些开关符合AEQ标准和RoHS指令,属于SPIDER+系列开关。这些开关非常适合用于驱动继电器、LED、电机以及汽车或工业应用,例如照明、加热、电机驱动、能源和配电。特性
- 控制和诊断用16位串行外设接口
- 菊花链功能(SPI还兼容8位SPI器件)
- 2个CMOS兼容并行输入引脚,具有输入映射功能
- 低至VS=3V起动能力(支持LV124)
- 数字电源电压范围与3.3V和5V微控制器兼容
- 极低静态电流(使用IDLE引脚)
- Limp Home模式(使用IDLE和IN引脚)
- 绿色产品(符合RoHS指令)
- 符合AEC标准
- 保护特性:
- 对地和电池短路保护
- 过载
- 过热
- 过压保护
- 静电放电 (ESD) 保护
- 诊断特性:
- 通过SPI寄存器锁存诊断信息
- 导通状态下过载检测
- 使用输出状态监控器功能在关断状态下进行开路负载检测
应用
- TLE75008:
- 驱动继电器、LED和电机
- 汽车和工业应用:
- 照明、加热、电机驱动、能源和配电
- TLE7240SL:
- 各类电阻、电感或电容性负载
- 驱动汽车应用中的继电器
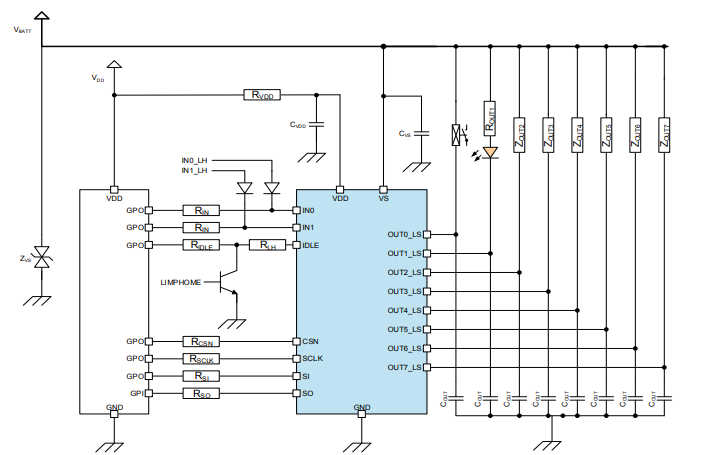
TLE75008-ESD应用图
TLE75008-ESD框图
发布日期: 2020-09-01
| 更新日期: 2024-11-22
