TLE9351BVSJ收发器具有过热保护、TxD超时功能和<18μA@5V STB静态电流。该收发器符合ISO 11898-2:2016和SAE J2284-4/-5标准,且通过车辆局域网互操作性和优化(VeLIO)测试要求认证。TLE9351BVSJ收发器符合ISO 7637和SAE J2962-2标准,可免受汽车瞬变损害。
特性
- 总线唤醒模式 (WUP) 功能,滤波器时间经过优化,适合OEM使用
- 待机模式静态电流极低
- 在待机模式下,可禁用发射器电源VCC,从而最大限度地降低静态电流
- TxD超时功能
- 在掉电状态下,CAN总线漏电流极低
- 过温保护
- VIO输入,用于微控制器接口的电压适配(3.3V或5V)
- 环路延迟对称性,用于高达5Mbit/s的CAN FD数据帧
- 通过汽车LAN互操作性和优化(VeLIO) 测试要求认证
- 出色的ESD稳健性
- 可免受汽车瞬变损害,符合ISO 7637和SAE J2962-2标准
- 采用符合RoHS指令的无卤PG-DSO-8封装
应用
- 引擎控制装置(ECUs)
- 车身控制模块 (BCM)
- 变速器控制单元 (TCU)
- 电动助力转向
- 底盘控制模块
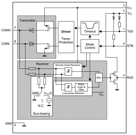
TLE9351BVSJ 方框图
发布日期: 2024-03-11
| 更新日期: 2025-02-12

