Infineon Technologies TLE9351SJ高速CAN FD收发器
英飞凌科技TLE9351SJ高速CAN FD收发器设计用于保护微控制器免受网络内部产生的干扰。基于CANH和CANL输出信号的高对称性,该接收器可在很宽的频率范围内实现极低的电磁辐射 (EME)。TLE9351SJ收发器具有严格的电磁兼容性 (EMC) 测试限制,无需额外的外部电路(如共模扼流圈)。该收发器具有出色的ESD稳健性、过流保护功能以及待机模式,静态电流极低。 经优化的发射器对称性与接收器的优化延迟对称性相结合,使TLE9351SJ收发器能够支持CAN FD数据帧。该器件支持高达5Mbps数据传输速率,具体取决于网络的带宽和固有的寄生效应。TLE9351SJ收发器非常适合用于汽车和工业应用。特性
- 在掉电状态下,CAN总线漏电流极低
- 超低电磁辐射 (EME)
- 通过汽车LAN互操作性和优化(VeLIO) 测试要求认证
- 环路延迟对称性支持速率高达5MBit/s的CAN FD数据帧
- 总线唤醒模式 (WUP) 功能,滤波器时间经过优化,适合全球OEM使用
- 出色的ESD稳健性
- TxD超时功能
- 符合RoHS指令
- 过热保护
- 待机模式,静态电流极低
应用
- 发动机控制单元 (ECU)
- 网关模块
- 车身控制模块 (BCM)
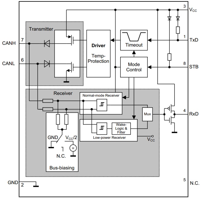
框图
应用电路图
发布日期: 2021-09-21
| 更新日期: 2024-06-10
