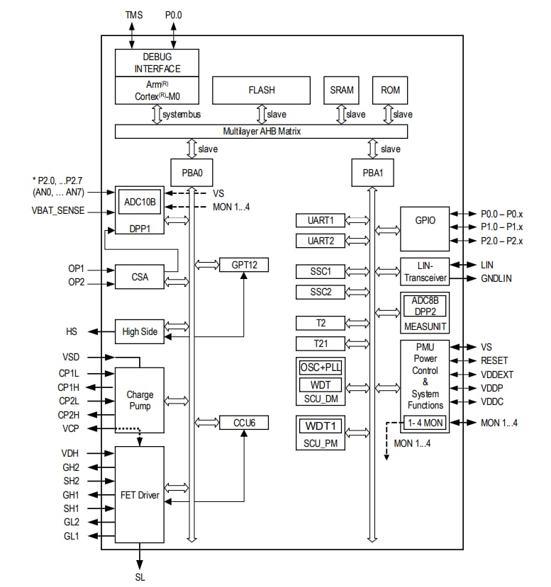
TLE985x IC的外设包括逐次逼近型ADC(与用于PWM控制的捕获和比较单元同步)、电流传感器以及16位定时器。该IC还包括一个集成的LIN收发器(可与器件通信)以及大量通用I/O。典型应用包括车窗升降器、天窗、电扇、电动泵以及LIN寻址电机控制。
特性
- 32位Arm Cortex M0内核,频率高达40MHz
- 5.5V至28V单电源
- 96KB闪存
- 高达4KB RAM
- 1个LIN收发器
- 2个UART
- 2个SSC
- 带电荷泵和PWM发生器的两相桥式驱动器
- 1个低侧并联电流检测放大器
- 1个10位ADC/12通道
- 1个8位ADC/9通道
- 9个16位定时器
- 1个24位定时器
- 温度范围:-40°C至150°C
- 采用VQFN-48封装,应用外形十分紧凑
应用
- 车窗升降器
- 天窗
- 电扇
- 电动泵
- 单相泵和风扇
- LIN寻址电机控制
框图
TLE985x H桥MOSFET驱动器IC概述
发布日期: 2019-04-04
| 更新日期: 2023-11-30

