特性
- 评估TLS203B0稳压器
- 噪音值降至24μV
- 宽输入电压范围:1.8V至20V
- 低压差:270mV
- 可调输出电压:1.22V至12V
- 输出电流能力:300mA
- 低静态电流:30μA
- 低关断电流:<1μA
- 搭配≥3.3μF输出电容器可稳定工作
- PG-DSO-8裸露焊盘和PG-TSON-10裸露焊盘封装
- 符合AEC标准
- 符合RoHS指令
应用
- 信息娱乐:
- 相机
- 显示电源
- 内存
- CPU
- FPGA内核电压
- 大电流后置稳压器
- 驾驶辅助系统:
- 雷达
- 相机
电路板概述
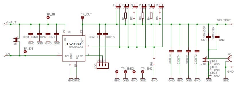
原理图
发布日期: 2019-12-10
| 更新日期: 2024-02-12

