特性
- 噪音值降至24μV
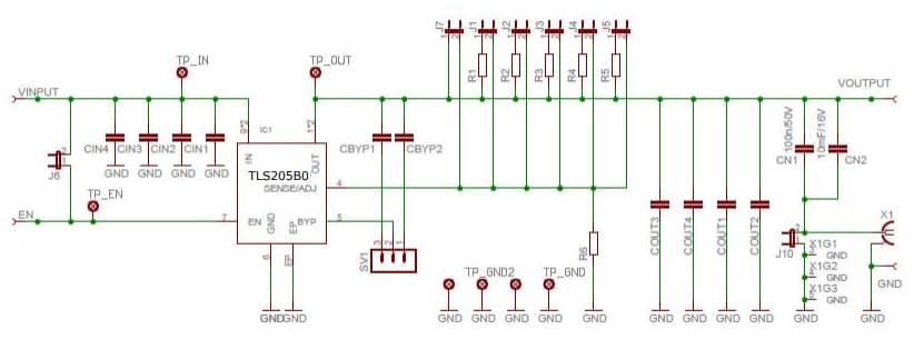
- 评估TLS205B0稳压器
- 宽输入电压范围:1.8V至20V
- 低压差:320mV
- 可调输出电压:1.22V至12V
- 输出电流能力:300mA
- 低静态电流:30μA
- 低关断电流:<1μA
- 搭配≥3.3μF输出电容器可稳定工作
- PG-DSO-8裸露焊盘和PG-TSON-10裸露焊盘封装
- 符合AEC标准
- 符合RoHS指令 - 绿色产品
应用
- 汽车通用ECU
- 两轮ECU
- 车身模块和网关
- 信息娱乐、警报和仪表板
电路板概述
原理图
发布日期: 2019-12-12
| 更新日期: 2024-02-12

