特性
- 消费电子应用
- 快速开关
- LVDS输入监控
- 热关断
- 低电源电压:
- 汽车版本
- 高达10A激光电流
- 高达14V激光电压
- 上升和下降时间<>
- 调制频率:130 MHz
应用
- 消费电子应用:
- 间接飞行时间摄像头和系统
- LDS(激光测距传感器)系统
- LiDar系统
- 移动设备
- 机器人技术
- 智能家居摄像头和安防
- 汽车版本:
- 车内感应
- 手势控制
- 乘员检测与分类
- 驾驶员监控系统 (DMS)
- 安全的面部验证
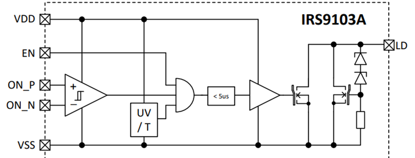
方框图
汽车版本框图
View Results ( 3 ) Page
| 物料编号 | 数据表 | 描述 |
|---|---|---|
| IRS9102CXTSA1 | ![]() |
激光驱动器 Laser Driver for VCSELs and LEDs |
| IRS9103AXTSA1 | ![]() |
激光驱动器 REAL3 Laser diode driver for automotive |
| IRS9100CXTSA1 | ![]() |
激光驱动器 3DI |
发布日期: 2025-09-30
| 更新日期: 2025-10-15


