特性
- 集成式半桥驱动器,采用DSO-14 (150mil) 封装
- 600V高压启动单元,可实现快速充电和低待机功耗
- 峰值电流模式控制,可实现稳健快速的线路和负载控制
- 根据输出电流估算,突发模式进入/退出操作
- 一次侧输出过压保护
- 支持最低空载待机功耗:<75mW
- 通过一个引脚UART接口实现各种可配置参数
- 最低必要物料清单
- 可配置的上电和掉电保护
- 可配置的内置软启动
- 可配置的输出过压保护
- 可配置的突发模式进入和退出电流阈值,滞后小
- 可配置的过流保护,具有两个等级,用于峰值和瞬态负载
- 可配置的降频,具有周期跳跃,提高低负载效率
- 可配置的抖动,用于开关频率
- 可配置的传播延迟补偿,用于精确峰值电流控制
- 引脚无铅电镀
- 符合RoHS指令,无卤素,符合IEC61249-2-21标准
应用
- 直流/交流SMPS
- 超高功率密度适配器:>20W/英寸3
- 超高效率SMPS:>93%
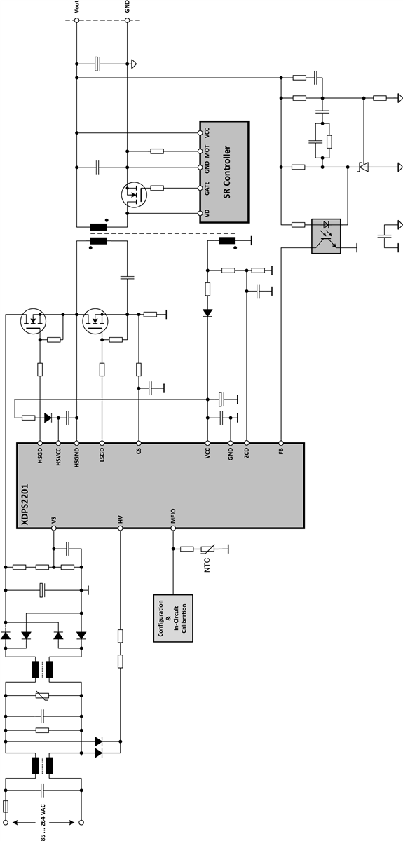
典型应用电路
框图
发布日期: 2021-03-25
| 更新日期: 2022-03-11

