特性
- IEC62368-1认证有源X-cap放电功能
- 高性能多模PFC,临界导通模式运行
- 高效多模混合反激式拓扑,具有自适应谐振周期
- DSO-14 (150-mil) 封装
- 支持USB-PD标准V3.1扩展功率范围 (EPR),宽输出电压高达28V(XDPS2222可提供36V/48V)
- 高度集成的组合控制器,用于PFC和混合反激式拓扑,包括具有X-cap放电功能的600V启动单元
应用
- 适配器和充电器
- 具有超高功率密度
- 具有扩展功率范围 (EPR)
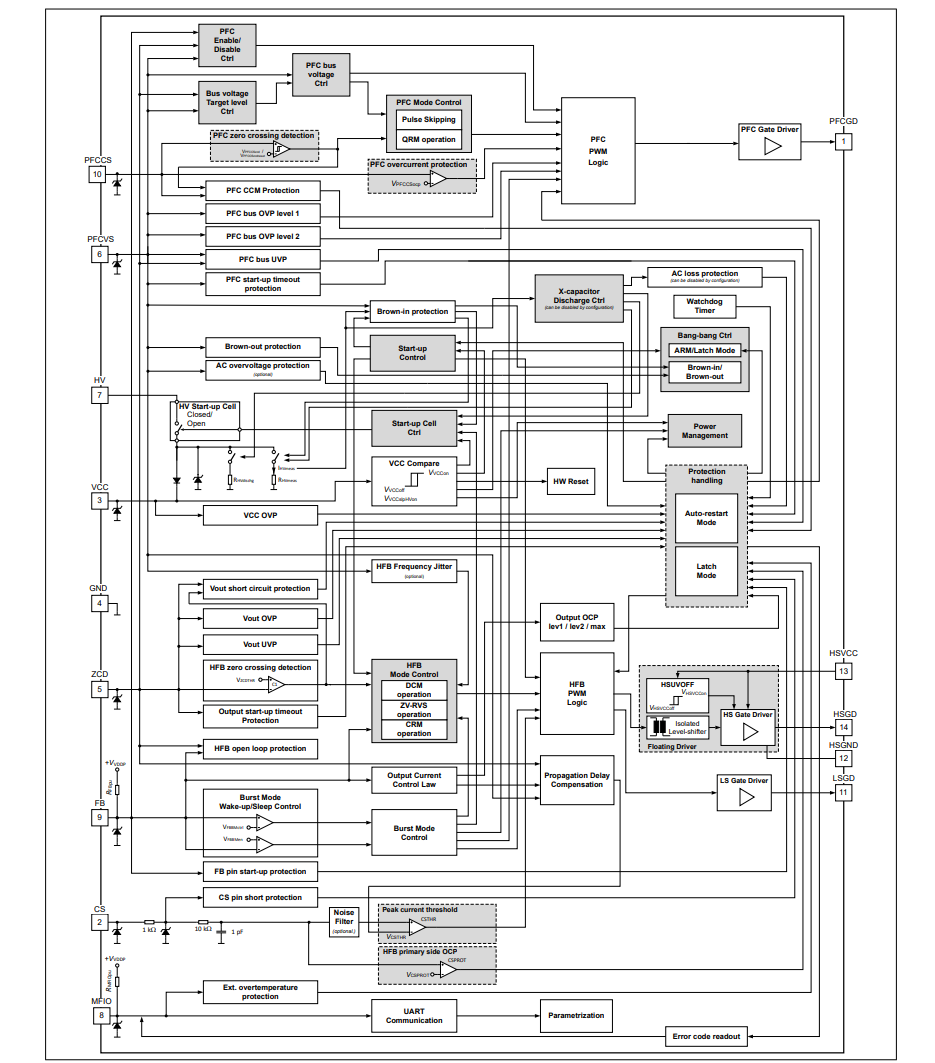
框图
发布日期: 2022-11-16
| 更新日期: 2022-11-30

