IXYS IX4340 MOSFET驱动器

IXYS IX4340 MOSFET是一款双通道、大电流、低侧栅极驱动器,配有两路输出。每路输出均能提供5A拉灌峰值电流,最大额定电压高达20V。IX4340驱动器的快速传播延迟为16ns(典型值),快速上升和下降时间为7ns(典型值)。这些驱动器的工作温度范围为-40°C至125°C。IX4340驱动器非常适合用于大电流和高频应用。

特性

  • 两路独立驱动器,每路均能提供5A拉灌电流
  • CMOS和TTL兼容输入
  • 针对每路驱动器的独立使能
  • 欠压闭锁电路
  • 电源电压范围:5V - 20V
  • 扩展工作温度范围:-40ºC至+125ºC
  • 快速传播延迟(16ns典型值)
  • 快速上升和下降时间(7ns典型值)
  • ESD额定值:±4kV

应用

  • 开关模式电源
  • 直流-直流转换器
  • 电机控制器
  • 功率逆变器

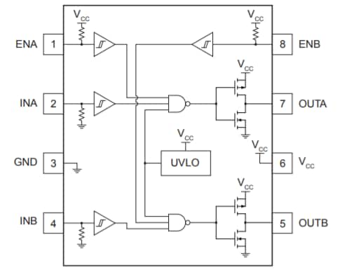
IX4340功能框图

图表 - IXYS IX4340 MOSFET驱动器
发布日期: 2017-05-09 | 更新日期: 2022-03-28