特性
- 1200 V漏源电压
- 漏极-源极导通电阻RDS(on) :30mΩ
- SiC MOSFET技术,具有-3/+15至18V栅极驱动
- 低输入电容Ciss :3000pF
- 最高虚拟结温:Tvj = 175°C
- 高阻断电压、低导通电阻
- 高速开关,低电容
- 超快本征体二极管,Trr = 54.8ns
- 开尔文源极连接
- 湿度灵敏性等级:1级(MSL 1)
- 总功耗:395W(TC = 25°C时)
应用
- 太阳能逆变器
- 开关模式电源
- UPS
- 电机驱动器
- 直流/直流转换器
- 电动汽车充电基础设施
- 感应加热
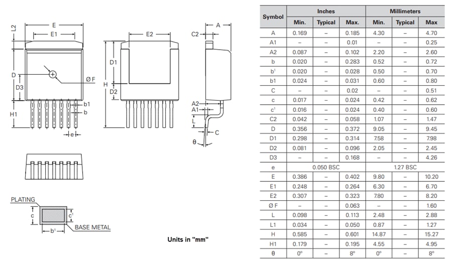
尺寸图
发布日期: 2025-02-28
| 更新日期: 2025-03-17

