IXYS Mxx501双晶闸管模块设计符合行业标准外形,因此非常适合用于各种应用。
特性
- 全压力接触结构
- 在额定电流下具有最高可靠性和性能
- 设计符合行业标准外形
规范
- 重复峰值断态电压和重复峰值反向电压:1200V至1800V
- 非重复峰值断态电压和非重复峰值反向电压:1300V至1900V
- 工作温度范围:-40°C至+125°C
- 最大平均导通电流:503A (TC=+85°C)
- 最大平均导通电流:347A (TC=+100°C)
- 标称RMS导通电流:1195A (TC=+55°C)
- 直流导通电流:985A (TC=+55°C)
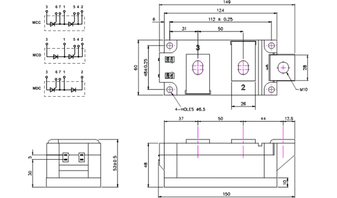
内部示意图与电压
封装外形
发布日期: 2021-06-10
| 更新日期: 2022-03-11

