JST Connectors FOX FPC/FFC Connectors
JST Automotive FOX FPC/FFC Connectors feature a reliable locking structure provided on the FFC side to prevent incomplete mating and improve retention force. The FOX connectors also offer high resistance to scooping, temporary board retention, and two types of connections (top and side-entry). These connectors achieve high operability with a 1.5AAC/DC current rating, a 12VAC/DC voltage rating, and a temperature range from -40°C to +90°C. The FOX FPC/FFC Connectors from JST Automotive are ideal for use in automobile assembly processes.Features
- Reliable locking structure
- High operability
- High resistance to scooping insertion/withdrawal
- RoHS compliant
- Temporary board retention by clinching the contact solder tail, prevents lifting of the connector
- Top or side-entry connection options
Specifications
- 1.5AAC/DC current rating
- 12VAC/DC voltage rating
- -40°C to +90°C temperature range
- Maximum contact resistance
- 10mΩ initial value
- 30mΩ after environmental testing
- 100MΩ minimum insulation resistance
- 500VAC withstanding voltage for 1 minute
- Applicable FCC
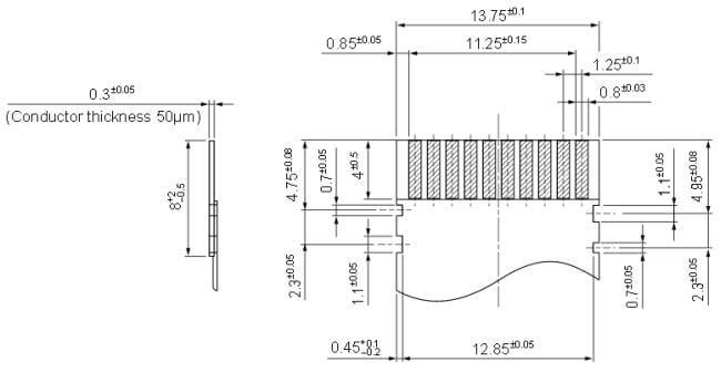
- Tin-plated annealed copper foil lead material
- 1.25mm lead pitch
- 0.8mm lead width
- 0.3mm±0.05mm mating part thickness
- Applicable PC board
- 1.6mm thickness
- 0.8mm±0.1mm hole size (through-hole)
Lead section dimensions of FPC
PC board layout, Assembly layout
发布日期: 2015-08-20
| 更新日期: 2022-03-11
