Kingbright APB3227 Compact Bi-color Chip SMD LEDs
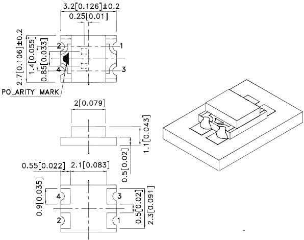
Kingbright APB3227 Compact Bi-color Chip SMD LEDs feature the industry standard SMD 1210 footprint of 3.2 x 2.7 x 1.1mm, are compact in size, and are available with various output options. These dual color LEDs provide color combinations including super bright orange + green, hyper red + yellow green, hyper red + green, super bright yellow + green, and green + blue. Each LED has 4 pins so each color can be controlled individually. APB3227 Bi-color LEDs are ideal for applications such as front panel indicators, backlighting applications, and many more.Features
- Size: 3.2 x 2.7 x 1.1mm
- Bi-color, low power consumption
- Available in various colors and lens types
- Wide viewing angle of 100°
- Standard reflow soldering processes
- Moisture sensitivity level 3
- RoHS compliant
Applications
- Backlighting
- Indicator lights
Dimensions mm (in)
View Results ( 4 ) Page
| 物料编号 | 数据表 | 光强度 | 波长/色温 |
|---|---|---|---|
| APB3227SEKCGKC | ![]() |
250 mcd, 55 mcd | 601 nm, 570 nm |
| APB3227SURKZGC | ![]() |
250 mcd, 400 mcd | 630 nm, 525 nm |
| APB3227SURKCGKC | ![]() |
250 mcd, 55 mcd | 630 nm, 570 nm |
| APB3227SYKCGKC | ![]() |
150 mcd, 55 mcd | 590 nm, 570 nm |
发布日期: 2013-01-31
| 更新日期: 2022-03-11

