LEM CAS Board Mount Current Transducers
LEM CAS Board Mount Current Transducers are designed for accurate electronic measurement of DC, AC, and pulsed currents, ranging from 1.5A RMS to 75A RMS, with galvanic isolation between the primary and secondary circuits. These Fluxgate-based transducers operate on a single +5V supply, ensuring low offset and gain drift. With a measuring range extending up to three times the nominal primary current (Ipn), the transducers offer high precision and reliability for various applications. Additionally, the LEM CAS sensors are designed for PCB mounting, making them easy to integrate into electronic systems.Featuring three primary pins, CAS sensors support small current measurements from 2A to 50A RMS, covering multiple models such as 6A, 15A, 25A, and 50A. The closed-loop Fluxgate technology ensures high accuracy, stability, and noise immunity, making the devices ideal for industrial applications that demand precise current sensing with electrical isolation.
Features
- Closed-loop Fluxgate (compensated) multi-range current transducer
- 0V to 5V output voltage
- Single supply
- Very low temperature coefficient of offset
- Very good dv/dt immunity
- Insulating plastic case material recognized according to UL 94V-0
- Compact design for PCB mounting with a reduced height
- Fast <0.3µs response time
- DC to 300KHz (±3dB) and 200KHz (±1dB) bandwidths
- LTS and LTSR compatible footprint
- 5-year warranty
- Standards
- EN 50178: 1997
- UL 508: 2013
- IEC 61010-1: 2010
- RoHS compliant
Applications
- AC variable speed and servo motor drives
- Static converters for DC motor drives
- Battery supplied applications
- Solar inverters
- Uninterruptible Power Supplies (UPS)
- Switched Mode Power Supplies (SMPS)
- Power supplies for welding applications
Specifications
- 6A, 15A, 25A, and 50A current variants
- 7V maximum supply voltage
- 4kV maximum ESD voltage
- 1000VAC/DC primary involved potential
- 7VDC secondary supply voltage
- 4.2kV RMS voltage for AC insulation test, 50/60Hz/1 minute
- 7.6kV impulse withstand voltage 1.2/50µs
- 7.7mm clearance
- Creepage distances
- 7.7mm shortest internal path along the device body
- 6.3mm when mounted on a PCB
- +110°C maximum primary conductor temperature
- +85°C maximum surrounding air temperature
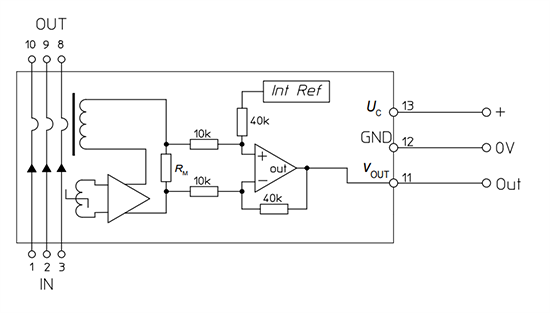
Connection
Dimensions (mm)
发布日期: 2025-07-18
| 更新日期: 2025-07-31
