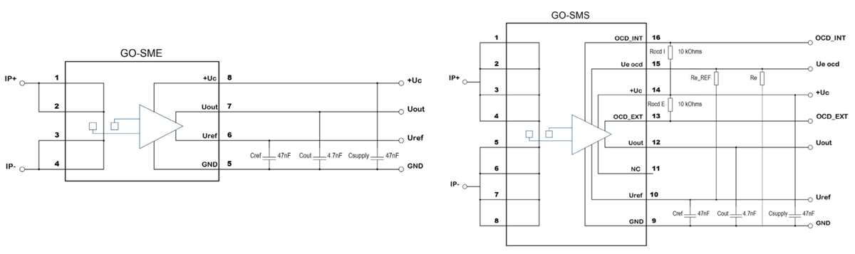
LEM GO SMS/SME Current Transducers
LEM GO SMS/SME Current Transducers are designed to measure AC and DC currents in both industrial and automotive applications. These transducers advanced design ensures high accuracy and reliability. The GO SMS/SME current transducers provide cost-effective and compact current sensing solutions for a wide range of industries. These transducers with a small footprint and competitive pricing, offer an optimal balance of performance and affordability. The GO SME current transducers are available in the SOIC 8 package and the SMS transducers are available in the SOIC 16 package. Typical applications include small drives, Heating, Ventilation and Air Conditioning (HVAC) inverters, appliances, solar inverters, e-bikes, automotive, and industry-qualified.Features
- GO-SMS:
- 75A open-loop multi-range current sensor
- 0.75mΩ Low electrical resistance
- 3.3V or 5V dual supply voltage
- Dual overcurrent detection
- Low power consumption
- 300KHz high bandwidth
- No magnetic hysteresis
- Galvanic separation between primary and secondary with 7.4mm of dCl and 7.4mm of dCp
- 4800VRMS insulated test voltage (UL 62368)
- Small footprint with standard surface mount PCB mounting
- AEC-Q-100 Grade 1
- GO-SME:
- 50A open-loop multi-range current sensor
- 0.9mΩ low electrical resistance
- 3.3V or 5V dual supply voltage
- Low power consumption
- 300kHz high bandwidth
- No magnetic hysteresis
- Galvanic separation between primary and secondary with 4mm of dCl and dCp
- 2400VRMS insulated test voltage
- Small footprint with standard surface mount PCB mounting
- AEC-Q-100 Grade 1
Applications
- Small drives
- Heating, Ventilation, and Air Conditioning (HVAC) inverters
- Appliances
- Solar inverters
- E-bikes
- Automotive and industry qualified
Additional Resources
Application Circuit Diagrams
Block Diagrams
发布日期: 2025-07-04
| 更新日期: 2025-10-24
