特性
- 设计用于pyro模块系统应用
- 电流传感器直接触发pyro
- 故障电流中断能力极高
- 各种触发级别
- 可进行非对称校准
- 外部触发信号到pyro模块
- 诊断功能
- 开环霍尔效应
- 电源:单极+12VDC
- 工作温度范围:-40 °C至+85 °C
- 系统电压:高达1000VDC
规范
- 最大电源电压:-16 V至24 V
- 测量模式下的最大电源电流为200mA
- 触发期间2ms的最大电源电流为10A
- 绝缘电阻:50MΩ
- 电介质电压导致的漏电流为1mA
- 14.98 mm 爬电距离
- 间隙为8.44mm
- UL 94V-0阻燃级别
- IP41防护等级
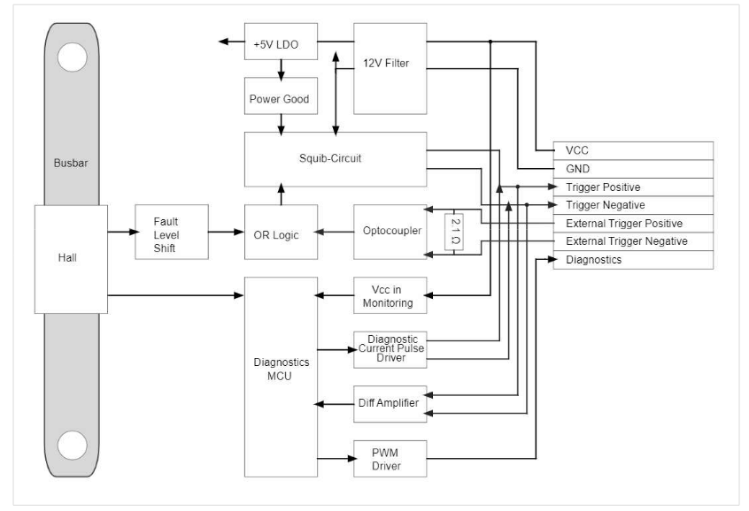
方框图
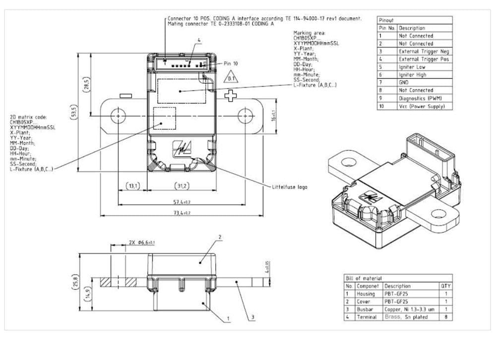
尺寸(mm)
发布日期: 2025-09-26
| 更新日期: 2025-10-24

