Littelfuse LS0502SCD33超级电容器保护IC
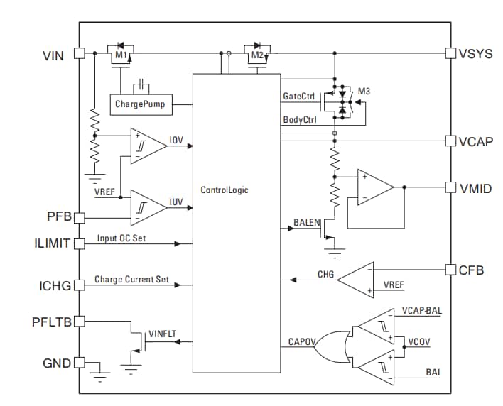
Littelfuse LS0502SCD33备份电源应用超级电容器保护IC是具有备用存储电容器或电容器组的系统的完整解决方案。Littelfuse LS0502SCD33超级电容器IC集成了输入过压保护、过流保护电路、反向阻断开关和超级电容器充电控制电路。该备用电源保护器件还具有内置电池平衡功能,可保护两节超级电容器系统。当主电源存在且超过最低系统电源电压时,系统从输入电源供电。集成线性充电器以高达300mA的电流为存储元件充电。存储元件充电时,电路仅消耗2.5μA电流,同时将超级电容器或其他存储元件保持在就绪状态。移除主电源后,集成的反向阻断开关可阻断电流从系统轨流向输入。线性充电器开启,为系统轨提供电源,具有低电阻路径,电流高达2A。集成的电池平衡电路可在充电时监控电池电压,并将两节电池的电压保持在相同水平。用户可以对Littelfuse LS0502SCD33进行外部编程,以实现输入电流限制、输入过压、充电电流限制和充电电压限制。该保护IC在输入电源拔出时提供标记信号,以便主系统能够采取行动。
特性
- 系统电压范围:2.5V至5.5V
- 18V额定输入电压,具有过压保护功能
- 可编程电容电压范围:1.1V至5.3V
- 可编程超级电容器充电电流
- 可编程输入过流保护
- 自动电池均衡
- 自动主/备用切换
- 放电电流高达2A
- 可编程电压与电流阈值
- 阈值精度:±2%
- 静态电流:2.5μA就绪
- 小尺寸解决方案
- DFN封装
应用
- 手持式工业设备
- 行车记录仪
- 物联网
- 仪表
- 带可拆卸电池的便携式设备
规范
- 最大功耗:2.3W
- 输入电压:+4.0V至+5V
- 电容器电压:+0.8V至+5.4V
- 工作温度范围:-40°C至+85°C
- -40 °C至+125 °C结温范围
视频
方框图
典型应用电路
发布日期: 2023-07-14
| 更新日期: 2024-10-15
