Littelfuse LS24062RQ23双向电子保险丝
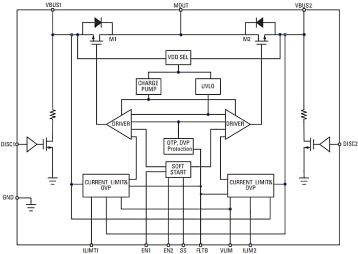
Littelfuse LS24062RQ23双向电子保险丝具有两个输入/输出端口VBUS1和VBUS2,绝对最大额定电压为30 V。每个端口提供外部电流限制设置、独立使能和放电控制引脚。这款先进的28V、6A额定双向负载开关可防止过载、 短路 、输入电压浪涌、浪涌电流过大和过热等情况。集成的24mΩ超低RDS(ON)电源开关有助于降低正常运行期间的功率损耗。Littelfuse LS24062RQ23双向电子保险丝采用薄型2.5mm x 3.2mm、16引线QFN封装。典型应用包括笔记本电脑、台式电脑、服务器、平板电脑、电子狗和拓展坞、电源配件以及Thunderbolt / USB Type-C® PD电源开关。特性
- 宽电源电压范围:3V至24V
- 端口VBUS1和VBUS2上具有30V容差
- 集成24mΩ超低RDS(ON)保护开关
- 外部可调软启动时间
- 外部可调输入过压阈值
- 短路保护
- 故障指示灯
- 热关断保护和自动恢复
- 每个端口VBUS1/VBUS2独立控制
- 外部可调电流限制
- 使能接口引脚
- 端口放电接口引脚
- 16引脚QFN 2.5mm x 3.2mm封装
- 无铅且符合RoHS标准
- UL认证符合UL 62368-1标准
应用
- 笔记本电脑、台式机、服务器和平板电脑
- 电子狗和拓展坞
- 电源配件
- Thunderbolt / USB Type-C PD电源开关
典型应用
功能框图
发布日期: 2022-12-21
| 更新日期: 2025-07-23
