QS8004DHx三端双向可控硅的主体材料为通过UL认证的化合物,符合94V-0可燃性等级。这些三端双向可控硅符合RoHS指令,符合MSL 1级和ANSI/J-STD-002 3类标准,并符合A类测试可焊性标准。该QS8004DHx三端双向可控硅用于冰箱、空调压缩机控制、电机控制、工业交流开关控制和白色家电应用。
特性
- 玻璃钝化结
- 采用固态开关,能够避免可引发电压瞬变的电弧或触点颤动
- 可限制射频干扰 (RFI) 产生,基于正弦波的激活点
- 开关的触点在开启和断开时不会磨损
- 每半个周期需一个很短的门极激活脉冲
- 主体材料为通过UL认证的化合物,符合94V-0可燃性等级
- 符合RoHS指令
- 符合MSL 1级要求
- 符合ANSI/J-STD-002 3类标准,并符合A类测试可焊性标准
规范
- 电压能力:高达800V
- 浪涌能力:高达55A
- 平均栅极功耗:0.3W(TJ=125°C时)
- 导通电流:4ARMS(全正弦波)(TC=118°C时)
- 工作结温范围:–40°C至125°C
象限定义
性能图表
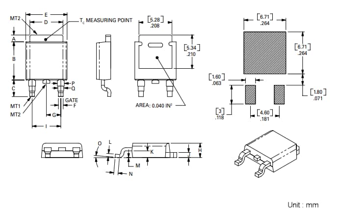
机械图
发布日期: 2023-05-04
| 更新日期: 2023-05-18

